EasyManua.ls Logo

Diamond Systems JACKSON - Mechanical Drawing

Default Icon
53 pages
Print Icon
To Next Page IconTo Next Page
To Next Page IconTo Next Page
To Previous Page IconTo Previous Page
To Previous Page IconTo Previous Page
Loading...
Jackson User Manual rev 2.2 www.diamondsystems.com Page 17
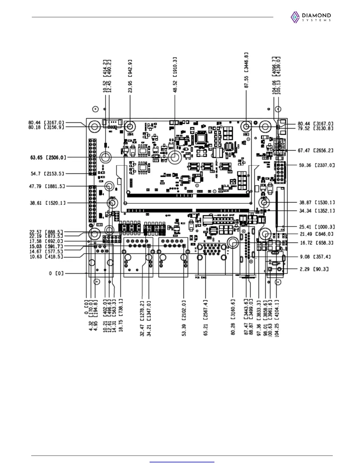
5 MECHANICAL DRAWING
Below Figures Depict the Top and Bottom Mechanical view of the Jackson board.
Figure 5-1: Mechanical Top View

Related product manuals