EasyManua.ls Logo

Dinolift 160XT - Automatic Levelling (Option)

Default Icon
127 pages
Print Icon
To Next Page IconTo Next Page
To Next Page IconTo Next Page
To Previous Page IconTo Previous Page
To Previous Page IconTo Previous Page
Loading...
124
160XT 180XT 210XT
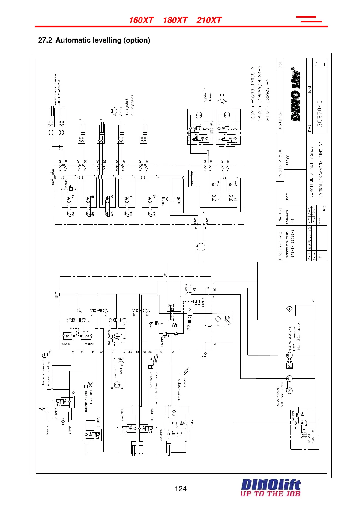
27.2 Automatic levelling (option)
Courtesy of Crane.Market

Table of Contents

Related product manuals