EasyManua.ls Logo

Ecoray HF-525Plus - System Cable Wiring Check

Ecoray HF-525Plus
233 pages
Print Icon
To Next Page IconTo Next Page
To Next Page IconTo Next Page
To Previous Page IconTo Previous Page
To Previous Page IconTo Previous Page
Loading...
134
Technical Publication Document NO: SYSTEM-007-ENG (Ver.1.1)
HF-525Plus Installation, Operation and Service Manual
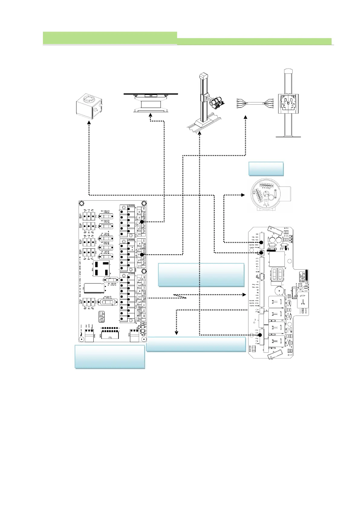
5.14 System Cable Wiring Check
WARNING
If do not use Door and EMG functions, then never remove the attached pin of tube support connector
pin (Door and EMG). If needs these functions, use these pin connectors.
ECO-XR5-HANDLE Board
(Handle bar of Tube Support)
ECO-XR5-GC Board
(Upper side of
Generator)
X-ray Tube
Electromagnetic lock for Tube rotation

Table of Contents

Related product manuals