EasyManua.ls Logo

Epson LQ 1050 - B/W Dot-matrix Printer - Control Circuit Section

Epson LQ 1050 - B/W Dot-matrix Printer
225 pages
To Next Page IconTo Next Page
To Next Page IconTo Next Page
To Previous Page IconTo Previous Page
To Previous Page IconTo Previous Page
Loading...
REV.-A
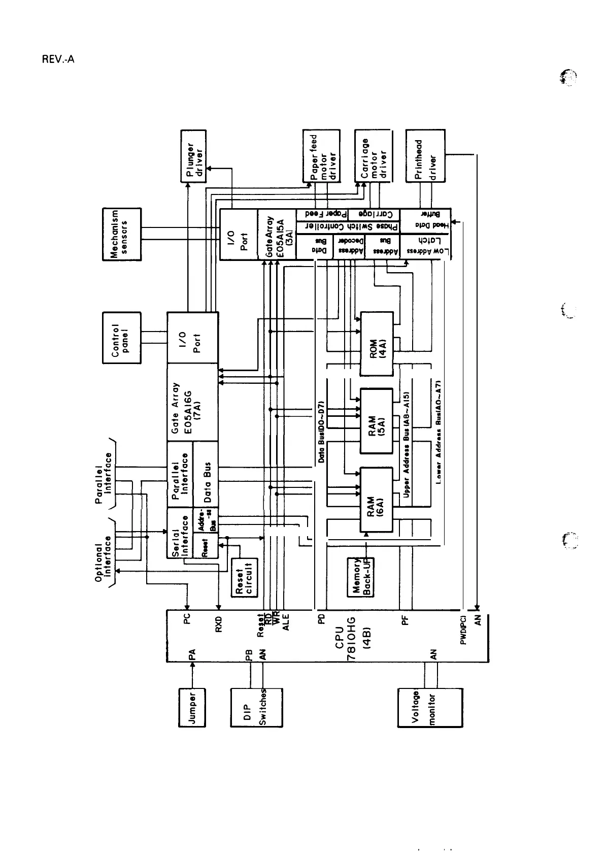
2.3.1.2 Control Circuit Section
Figure 2-9 shows the control circuit block diagram.
ILEI
1111
.1
I I I I I
I
<
0-
mz
La
I II
~1
I I
-
1
Figure 2-9. Control Circuit Block Diagram
2-12

Table of Contents

Other manuals for Epson LQ 1050 - B/W Dot-matrix Printer

Related product manuals