EasyManua.ls Logo

ESAB DTE 255 - Page 13

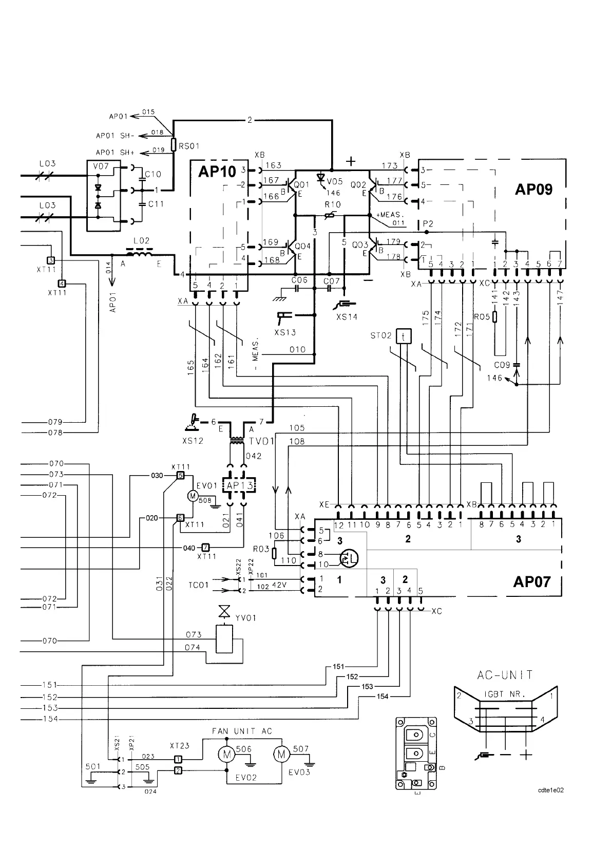
ESAB DTE 255
90 pages
Print Icon
To Next Page IconTo Next Page
To Next Page IconTo Next Page
To Previous Page IconTo Previous Page
To Previous Page IconTo Previous Page
Loading...
-- 1 3 --cdte1de1

Table of Contents

Related product manuals