EasyManua.ls Logo

ESAB DTE 255 - Dte 200 Wiring Diagram

ESAB DTE 255
90 pages
Print Icon
To Next Page IconTo Next Page
To Next Page IconTo Next Page
To Previous Page IconTo Previous Page
To Previous Page IconTo Previous Page
Loading...
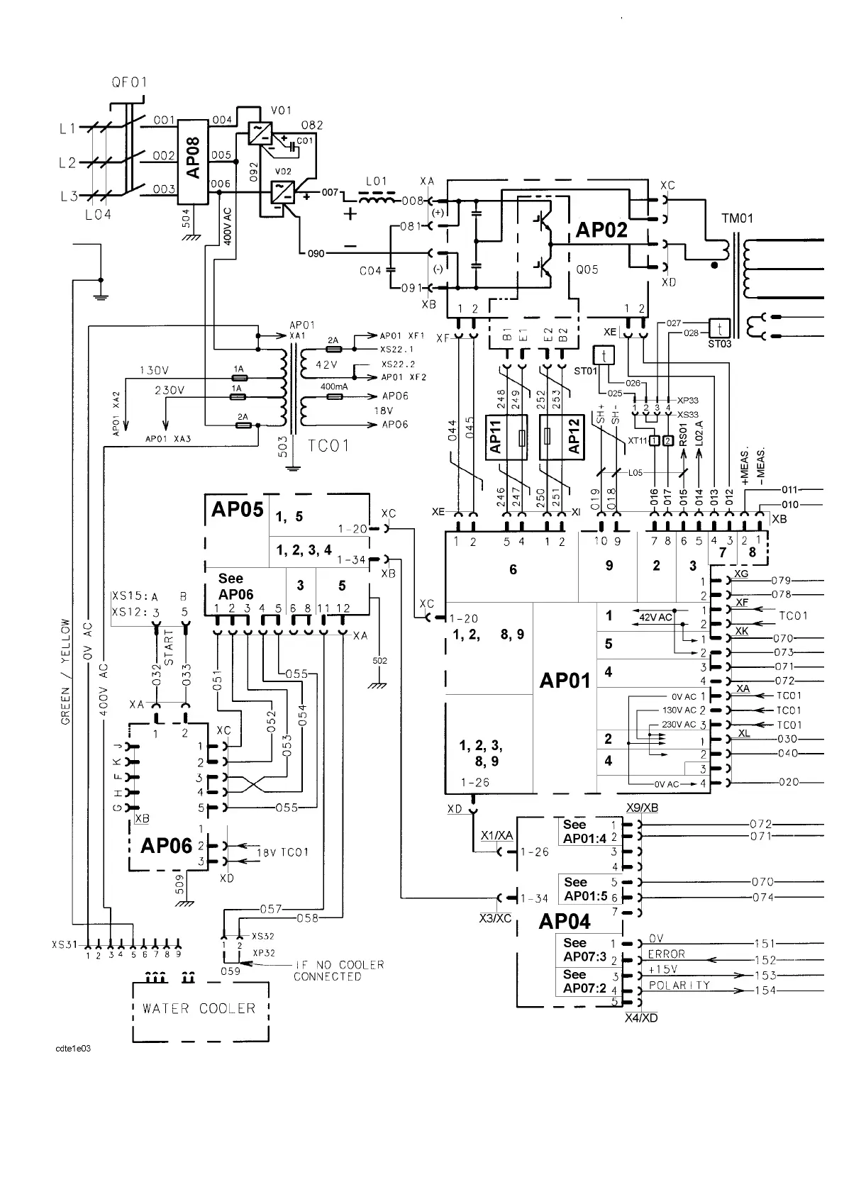
DTE 200 WIRING DIAGRAM
-- 1 4 --
cdte1de1

Table of Contents

Related product manuals