EasyManua.ls Logo

ESAB DTE 255 - DC IGBT, Test and Fitting Instructions

ESAB DTE 255
90 pages
Print Icon
To Next Page IconTo Next Page
To Next Page IconTo Next Page
To Previous Page IconTo Previous Page
To Previous Page IconTo Previous Page
Loading...
-- 6 1 --cdte1de1
DC IGBT, test and fitting instructions
DTE 200 / DTE 255
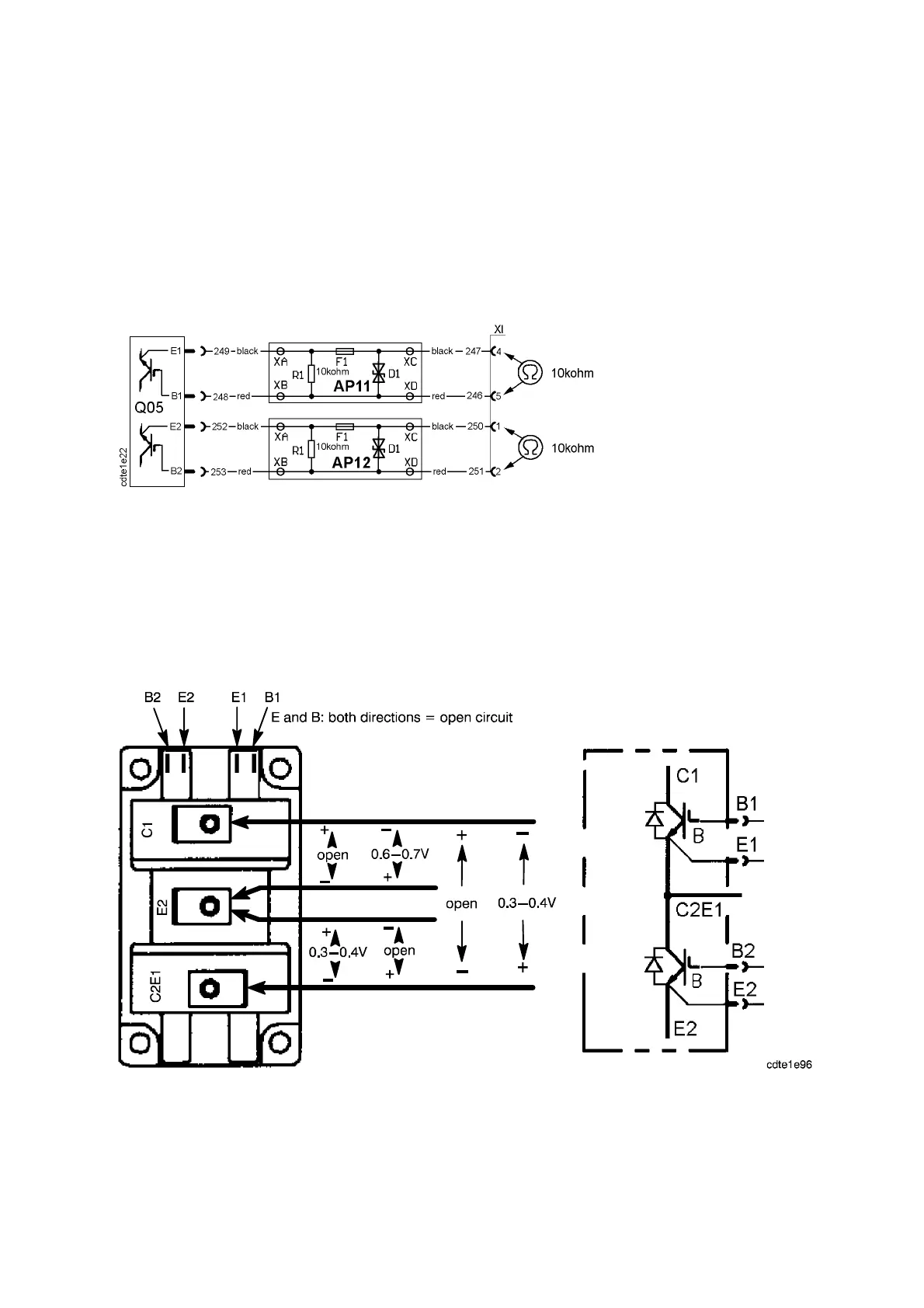
Make all measurements listed below with the machine disconnected from the mains.
Generally, if the IGBT module has burnt out, one or both of the high--speed fuses on the
protection boards will also have blown. To check the fuses, disconnect connector XI from
circuit board AP01. Measure as shown in the diagram below. If the fu ses are healthy the
meter will display 10k..
Checking gate fuses
To make a complete check of the IGBT module, remove the screws at C1, E2 and C2E1, then
remove circuit board AP02. Use a multimeter in diode test position to measure as shown in
the diagram below.
Warning: The IGBT module is sensitive t o ESD.
Test measuring the DC IGBT module
Fitting instructions for Q05
Follow the fitting instructions for Q01 -- Q04 on page 62.

Table of Contents

Related product manuals