EasyManua.ls Logo

ESAB DTE 255 - AP01:9 Current Monitoring

ESAB DTE 255
90 pages
Print Icon
To Next Page IconTo Next Page
To Next Page IconTo Next Page
To Previous Page IconTo Previous Page
To Previous Page IconTo Previous Page
Loading...
-- 2 4 --
cdte1de1
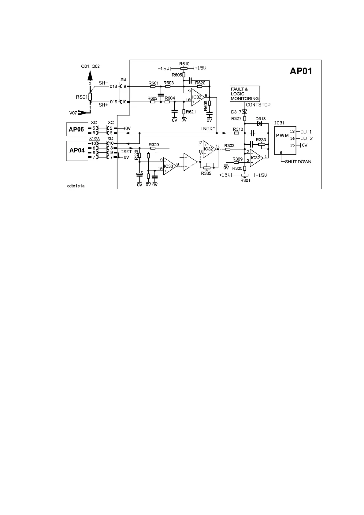
AP01:9 Current monitoring
Welding current control circuits
The shunt voltage is 60mV at 250A welding curr ent. The signal INORM from
IC32:8 is 1V at a welding current of 100A. Potentiometer R610 is a zero offset
trimmer for the shunt signal.
The cur rent set point value ISET comes from the processor board: it is 1V for
100A welding current.
The minimum current can be adjusted with R301, and must be 5--7A.
The maximum current can be adjusted with R335, and must be 250 ±5A for the
DTE 255 and 200 ±5A for the DTE 200.
R333 is used to adjust the feedback of the controller (e.g. adjust R333 when the
arc is too noisy).
The welding current is controlled with the PWM circuit. The voltage at the
shutdown input (IC31:8) is +5V when the circuit is enabled for operation. If the
input is pulled down close to 0V, the output signals are blocked.

Table of Contents

Related product manuals