EasyManua.ls Logo

ESAB DTE 255 - AP05 Front Panel Circuit Board; AP05:1 Power Supply; AP05:2 Operation Mode Selection

ESAB DTE 255
90 pages
Print Icon
To Next Page IconTo Next Page
To Next Page IconTo Next Page
To Previous Page IconTo Previous Page
To Previous Page IconTo Previous Page
Loading...
-- 3 3 --cdte1de1
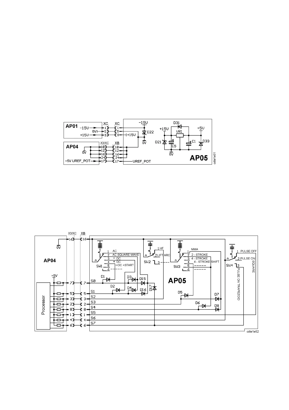
AP05 Front panel circuit board
There are three versions of circuit board AP05. Version 1 is used in the DTE 255 up to serial
no. 844--950--xxxx. Version 2 is used in all other machines up to and including serial no.
948--xxx--xxxx. Version 3 is used in all machines from serial no. 246--xxx--xxxx.
The difference between the versions is described on pages 40 and 41.
AP05:1 Power supply
Valid for all versions of circuit board AP05
Power supply, front panel circuit board AP05
AP05 is supplied with ±15V fro m AP01. +5V from regulator VR1 is used
internally on AP05.
AP05:2 Operation mode selectio n
Valid for all versions of circuit board AP05
Selector switches SW1, SW2, SW3 and SW4 (of which SW1 and SW3 are
connected to diode networks) generate an 8 bit word. This is used by AP04 to
select the mode in which the machine is to work.
The location of the switches on the front panel is shown on page 71.

Table of Contents

Related product manuals