EasyManua.ls Logo

ESAB DTE 255 - AP09 DTE 200 AC Snubber Circuit Board

ESAB DTE 255
90 pages
Print Icon
To Next Page IconTo Next Page
To Next Page IconTo Next Page
To Previous Page IconTo Previous Page
To Previous Page IconTo Previous Page
Loading...
-- 5 6 --
cdte1de1
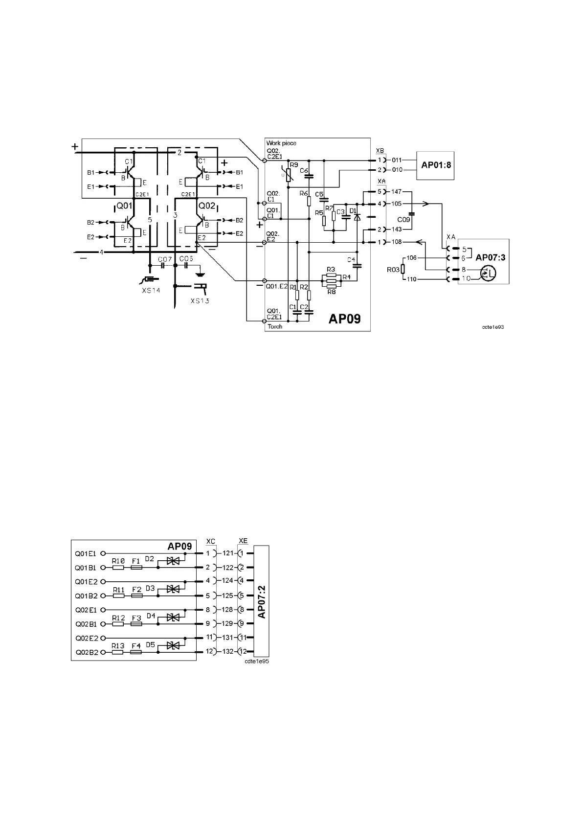
AP09 DTE 200 AC snubber circuit board
This circuit board is used only in the DTE 200. Th e snubber boards for the DTE 255 are
described on page 53 and 54.
Circuit diagram for snubber and discharge circuits of circuit board AP09, DT E 200
Circuit board AP09 protects IGBT modules Q01 and Q02 from voltage peaks generated by
the switching of the IGBTs. High--speed fuses F1 -- F4 protects the IGBT drive circuits on
circiut board AP07 in the event of IGBT failure. The test instructions for the IGBTs are on
page 63.
To protect the IGBTs of the AC unit, the voltage must not exceed 600V. Capacitor C09 is
charged up from the positive and negative rails via diode D1. This voltage is connected to
XA:5and6onAP07.
AP07 monitors the voltage between connections XA:5 (+) and XA:8 (--). If it exceeds 400V,
the capacitor is discharged via a transistor on AP07.
If C04 is not properly discharged, the machine will be switched off if the voltage exceeds
570V. There is a more detailed description of this function on pages 47 and 48.
Gate driver protection circuits on circuit board AP09, DTE 200
The following connections in connectors XC and XE are not used: 3, 6, 7 and 10.

Table of Contents

Related product manuals