EasyManua.ls Logo

ESAB DTE 255 - AP08 Interference Suppression Board

ESAB DTE 255
90 pages
Print Icon
To Next Page IconTo Next Page
To Next Page IconTo Next Page
To Previous Page IconTo Previous Page
To Previous Page IconTo Previous Page
Loading...
-- 5 2 --
cdte1de1
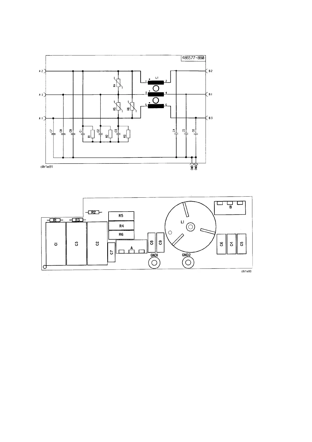
AP08 Interference suppression board
Circuit diagram for circuit board AP08 (EMC board)
Component positions for circuit board AP08
It is important that connection points GND1 and GND2 are properly connected to the chassis
of the machine.

Table of Contents

Related product manuals