EasyManua.ls Logo

Festo CP Lab - Page 41

Festo CP Lab
114 pages
Print Icon
To Next Page IconTo Next Page
To Next Page IconTo Next Page
To Previous Page IconTo Previous Page
To Previous Page IconTo Previous Page
Loading...
Design and function
© Festo Didactic Conveyor 41
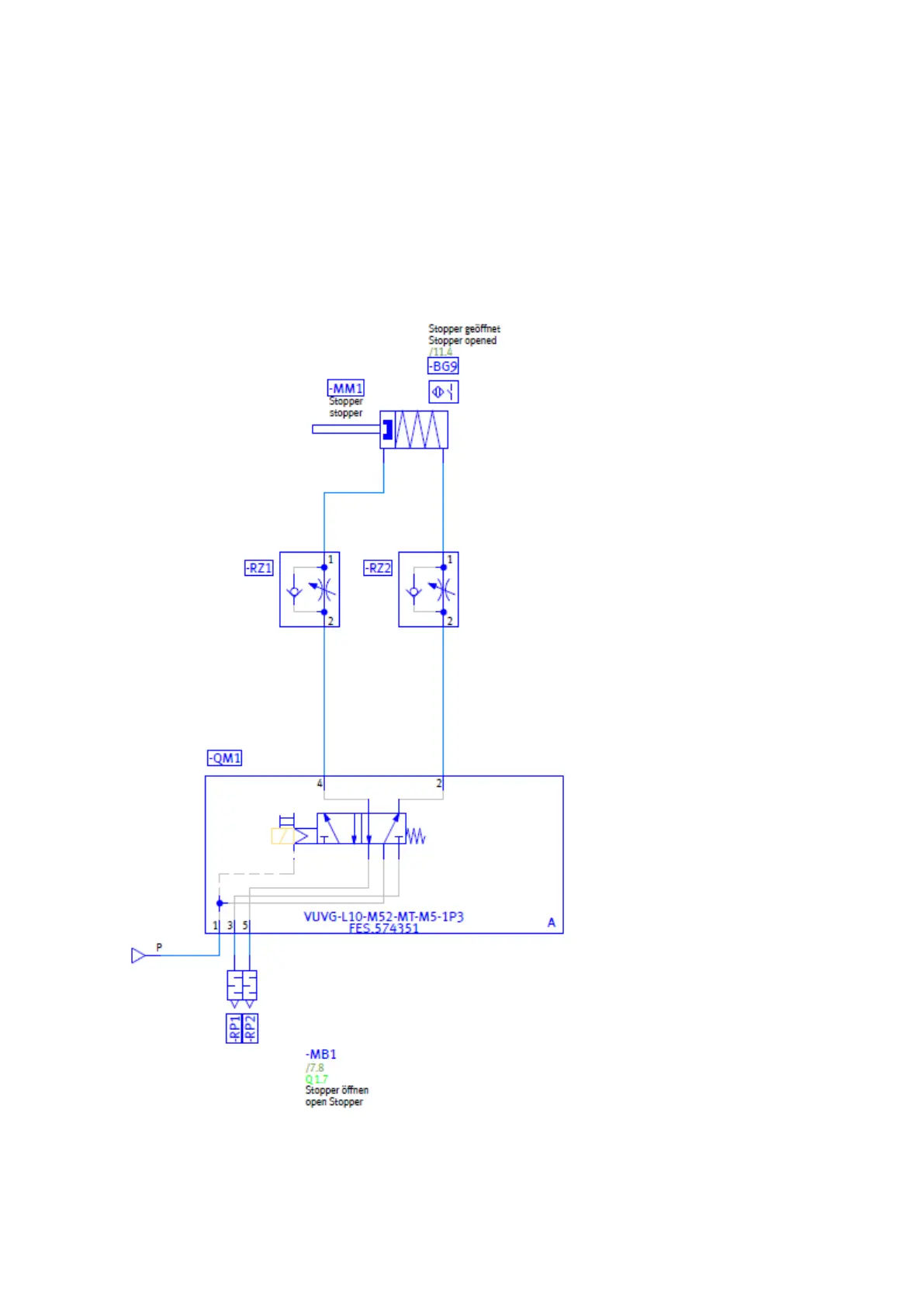
The CP Factory / Lab stop unit consists of
1 spring-return cylinder AEVUZ-16-5-P-A with 2 pneumatic connections
2 One-way flow control valves (exhaust air throttles)
1 monostable 5/2-way valve (VUVG-L10-M52-MT-M5-1P3)
1 brass element
1 spring

Table of Contents

Related product manuals