EasyManua.ls Logo

Festo SOPA - Switching Functions

Festo SOPA
58 pages
Print Icon
To Next Page IconTo Next Page
To Next Page IconTo Next Page
To Previous Page IconTo Previous Page
To Previous Page IconTo Previous Page
Loading...
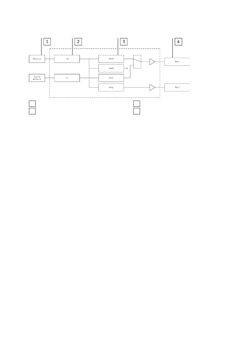
1
Sensing variable
2
Input signal
3
Binary signal
4
Switching signal at sensor module plug
Fig. 4 Binary signal, switching signal and analogue signal SOPA -...- PNLK -...
Switching output for OutA or OutB, analogue output
The switching outputs OutA and OutB and the analogue output are permanently assigned to the dis-
tance input variable. The setting is made via teach-in, display and pushbuttons or via IO-Link (SOPA
-...- PNLK -...).
Switching output for OutC
The switching output OutC is permanently assigned to monitoring the supply pressure. The setting is
made via the display and pushbuttons or via IO-Link (SOPA -...- PNLK -...). The binary signal at OutC
acts as an enable signal for OutA and OutB.
If the supply pressure is outside the switching window of OutC, [SUP.P] appears in the display. The
sensor module is then unable to conduct a correct distance monitoring procedure. It is not possible to
teach the binary signals in this case.
5.2.2.2 Switching functions
The binary signals OutA and OutB can be configured independently of one another. The threshold
value switching function is assigned to the binary signal OutA and OutB (distance input variable). The
window comparator switching function is assigned to the binary signal OutC (supply pressure input
variable).
The switching element function 'normally closed contact' (NC) or 'normally open contact' (NO) can
be assigned to each binary signal.
The switching point (SP) and hysteresis (HY) can be set for the binary signals OutA and OutB. Only
the switching points can be adjusted for OutC.
Product overview
13Festo — SOPA — 2020-04

Table of Contents

Other manuals for Festo SOPA

Related product manuals