EasyManua.ls Logo

Fischer Panda 6500 PMS - The Volume of the Exhaust Water Collector

Fischer Panda 6500 PMS
214 pages
Print Icon
To Next Page IconTo Next Page
To Next Page IconTo Next Page
To Previous Page IconTo Previous Page
To Previous Page IconTo Previous Page
Loading...
Installation Instructions
Seite/Page 72 Panda PMS 8.000 NE - 42 NE Manual.R05 - Kapitel/Chapter 5: Installation Instructions 22.3.11
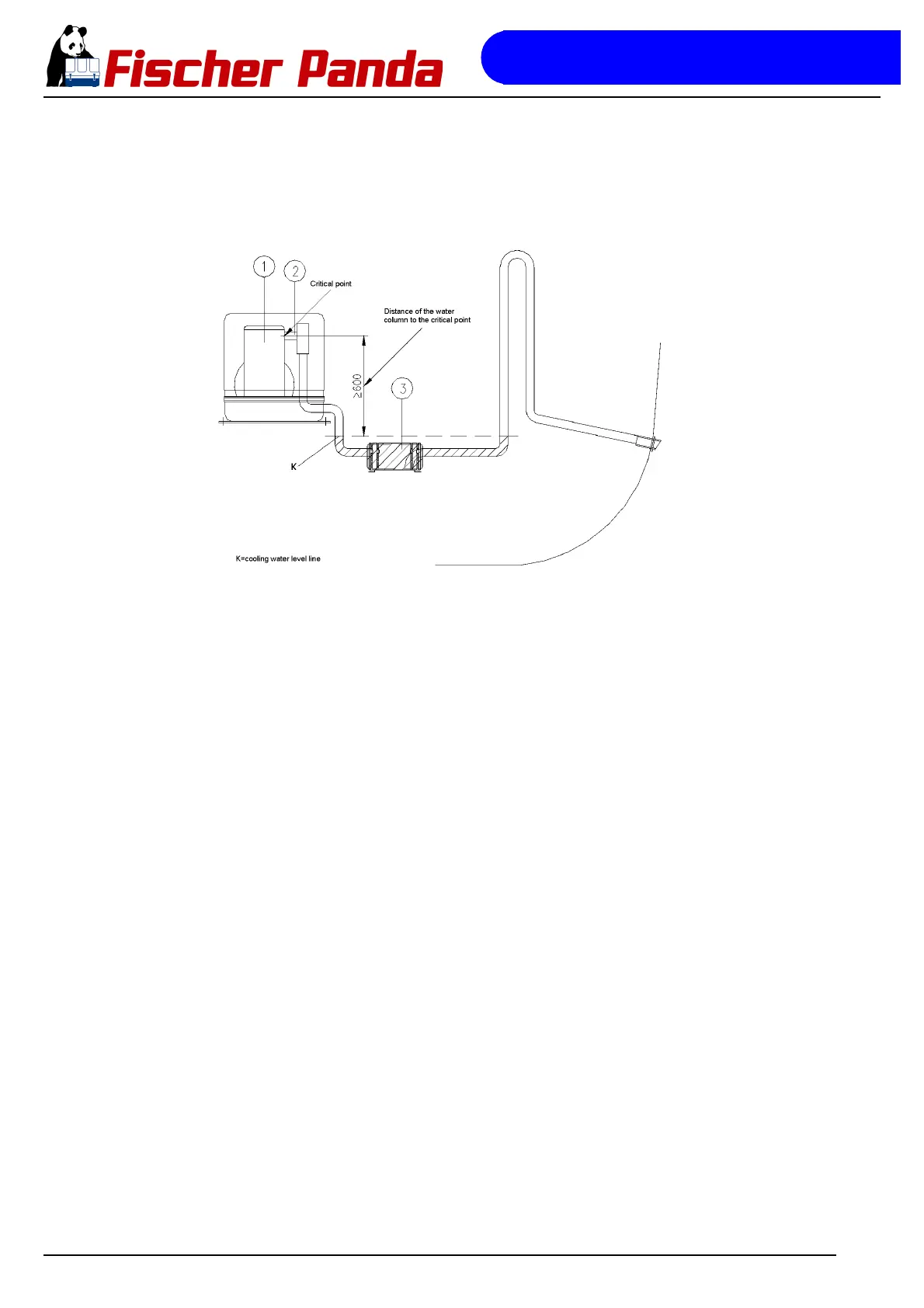
The deeper the water collector is located underneath the generator, the better the protection from entering water into
the combustion chamber.
The pictures below, the distance between the critical point at the exhaust elbow and the maximum permissible water
level in the exhaust duct is stated with 600 mm. This distance should be understood as a minimum distance.
Fig. 5.6.5-1: Installation area of the exhaust water collector
5.6.5.1 The volume of the exhaust water collector
The exhaust water collector must be measured so large, that it can take the entire amount of water flowing back
from the exhaust duct. The amount of water depends on the ducts’ length (L) and its cross section. While the diesel
engine is running, coolant is continuously injected into the exhaust system and is carted outside with the emissions
by the exhaust gas pressure. When the engine is turned off, the number of revolutions sinks quite fast. By doing so,
the point is reached where the exhaust gas pressure does not suffice anymore to cart the coolant out. All coolant
remaining in the duct at that point flows back into the water collector. At the same time, the diesel engine itself conti-
nues to cart coolant through the coolant pump, as long as it keeps on rotating.
The water collector must necessarily be measured so large, that it can take the entire amount of coolant and, and
the same time, does not exceed the prescribed vertical height of 600 mm up to the critical point at the exhaust
elbow.

Table of Contents

Related product manuals