EasyManua.ls Logo

FISNAR I&J7300 - Machine Dimensions; I&J7200 A Dimensions

Default Icon
124 pages
Print Icon
To Next Page IconTo Next Page
To Next Page IconTo Next Page
To Previous Page IconTo Previous Page
To Previous Page IconTo Previous Page
Loading...
I&J7000 Series Operating Manual
Section 7: Specifications
Part # 561978B
Rev. H May 04
- Page 84 -
© 2003 I&J Fisnar Inc.
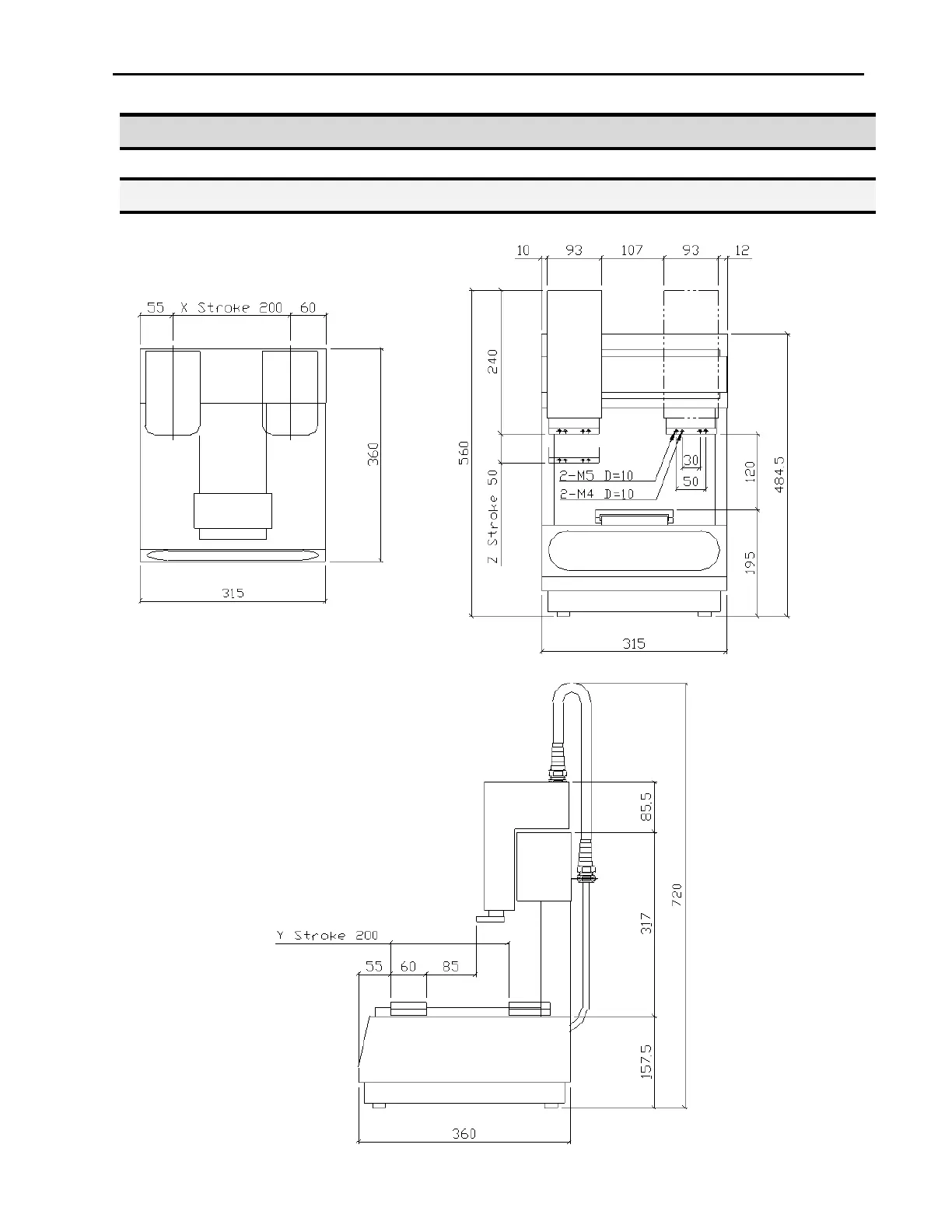
4. Machine Dimensions
4.1. I&J7200A Dimensions

Table of Contents

Related product manuals