EasyManua.ls Logo

FISNAR I&J7300 - I&J7300 B - Z Axis Drawing

Default Icon
124 pages
Print Icon
To Next Page IconTo Next Page
To Next Page IconTo Next Page
To Previous Page IconTo Previous Page
To Previous Page IconTo Previous Page
Loading...
I&J7000 Series Operating Manual
Section 8: Schematic and Parts List
Part # 561978B
Rev. H May 04
- Page 97 -
© 2003 I&J Fisnar Inc.
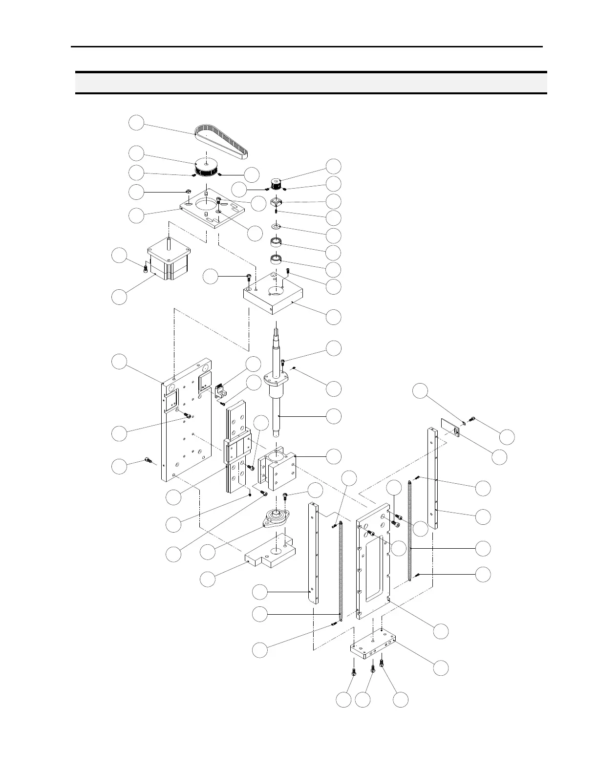
2.5. I&J7300B Z Axis Drawing
21
2726 26
7
5
10
31
19
15
34
32
4
36
27
17
11
32
20
30
9
27
12
19
34
2
1
32
29
22
3
35
6
24
34
29
29
25
28
13
13
29
14
18
29
33
27
26
26
27
8
17
11
23
16
26

Table of Contents

Related product manuals