EasyManua.ls Logo

FOR-A MFR-5000 - 3 System Configuration Example; Basic Configuration

FOR-A MFR-5000
157 pages
Print Icon
To Next Page IconTo Next Page
To Next Page IconTo Next Page
To Previous Page IconTo Previous Page
To Previous Page IconTo Previous Page
Loading...
48
3. System Configuration Example
3-1. Basic Configuration
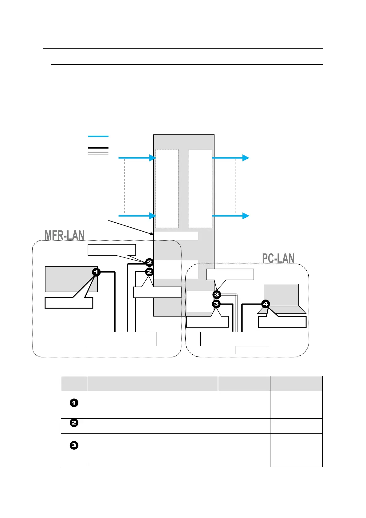
The block diagram below shows an example of the basic MFR routing system that consists of an
MFR-5000, Remote Unit and the Web-based Control accessed from a computer.
Make sure to connect both MFR-LANs (CPU1) and (CPU2) to a LAN respectively for CPU
redundancy. Their LAN connections must be separated from the network segment of PC-LAN
and other devices. (Default IP addresses (Net mask: 255.255.255.0) are used in the
configuration example below.)
LAN Port Settings
Port
RU Front Panel
Web-based
Control
Sec. in Web
Control Manual
MFR-39RUA: See sec. 5-4-4.
MFR-39RU: See sec. 5-6-1.
MFR-18RU/18RUA: See sec. 5-8-1 and 5-8-2
Other RUs: See sec. 5-10-1 and 5-10-2.
RU Settings
page
6-3
---
MU Settings
page
5-2
MFR-39RUA: See sec. 5-4-4(display only).
MFR-39RU: See sec. 5-6-3(display only).
MFR-18RU/18RUA: See sec. 5-8-1 (display
only).
Other RUs: See sec. 5-10-1 (display only).
Network
Settings page
4-1-7
MFR-LAN(CPU1)
MFR-LAN(CPU2)
MFR-xxRU
SDI/ AES
SDI/ AES
REF IN
MFR-5000
IN1
|
|
|
|
I
|
|
I
|
|
IN128
OUT1
|
|
|
|
I
|
I
|
|
I
OUT128
Ethernet Hub (MFR-LAN)
Ethernet Hub (PC-LAN)
PC
MFR Web-based
Control
BB
VIDEO(SDI)
LAN (MFR-LAN)
LAN (PC LAN)
LAN port label indications have
been changed.
TO RU >> MFR-LAN (CPU1, 2)
TO PC >> PC-LAN
192.168.1.XX
192.168.1.12
192.168.1.11
192.168.1.10
192.168.1.XX
PC-LAN1
PC-LAN2
192.168.1.13

Table of Contents

Related product manuals