EasyManua.ls Logo

FOR-A MFR-5000 - If Configuring an MFR-TALM

FOR-A MFR-5000
157 pages
Print Icon
To Next Page IconTo Next Page
To Next Page IconTo Next Page
To Previous Page IconTo Previous Page
To Previous Page IconTo Previous Page
Loading...
53
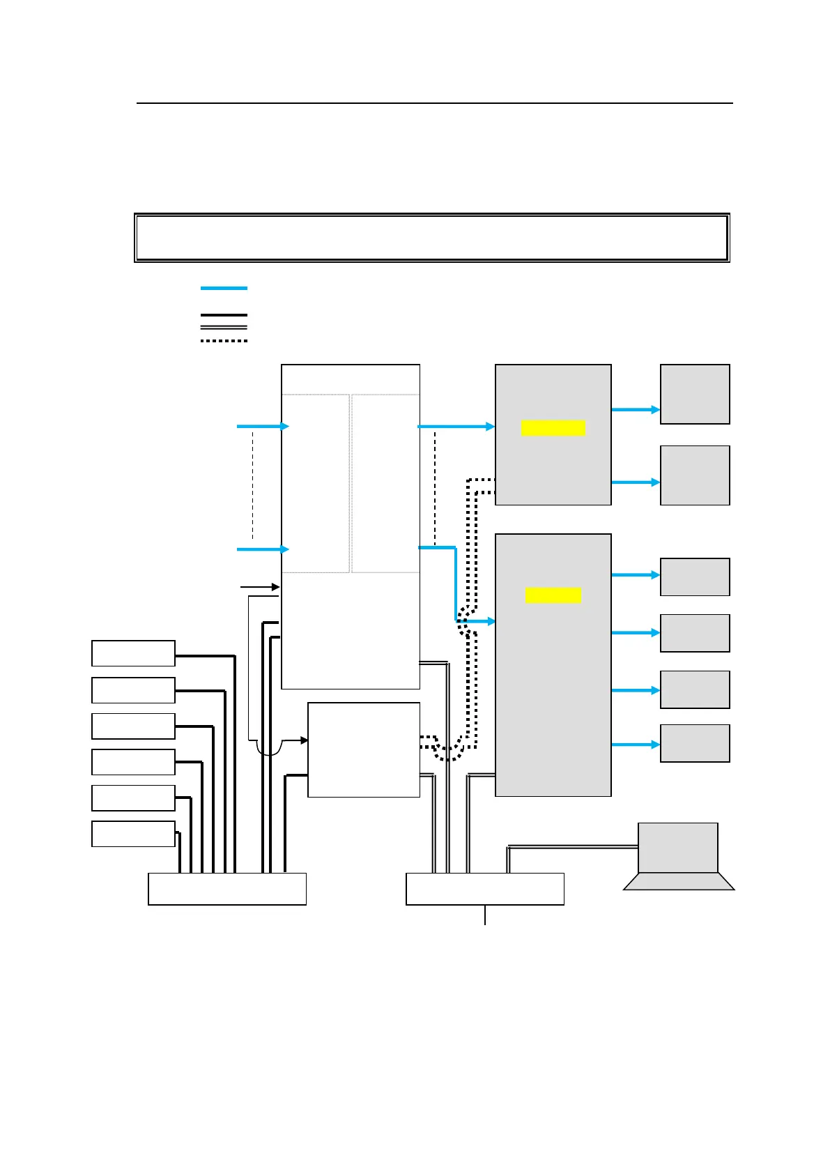
3-3-2. If Configuring an MFR-TALM
The block diagram below shows an example signal name and tally link system comprised of
a FOR-A video switcher and multiviewer using an MFR-TALM unit. The MFR-TALM is
specifically designed to perform the task of tally data computation, which is ordinarily
undertaken by the MFR main unit, to accelerate the computation. RS-422 ports (1) to (4) are
available for video switcher connection.
Before using an MFR-TALM unit for the system, change Tally Control Unit to MFR-TALM
in the [Main unit Web-based Control: MU Settings page].
VIDEO(SDI)
LAN (MFR-LAN)
LAN (PC LAN)
RS-422
MFR-LAN(CPU1)
MFR-LAN(CPU2)
RS-422(1)
RS-422(2)
SDI signal
SDI
signal
REF IN
MFR-5000
MFR-16SDI
IN1
|
|
|
|
I
|
|
I
|
IN128
MFR-16SDO
OUT1
|
|
|
|
I
|
I
|
|
OUT128
PC
MFR Web Control
MV Layout Editor
MFR-TALM
SERIAL
Video Switcher
(HVS-2000)
SERIAL
Multi Viewer
(MV-4200)
RS-422(1)
RS-422(4)
PGM
Monitor
PRV
Monitor
DVI
DVI
MV
Monitor
MV
Monitor
DVI
MV
Monitor
DVI
MV
Monitor
SDI
SDI
MFR-16RU
MFR-16RUD
MFR-40RU
MFR-18RU
MFR-39RU
REF IN
BB
MFR-GPI
PC-LAN
Ethernet Hub (MFR-LAN)
Ethernet Hub (PC-LAN)
LAN
MFR-LAN
PC-LAN

Table of Contents

Related product manuals