EasyManua.ls Logo

Frap Tools CGM - Sapèl

Frap Tools CGM
91 pages
Print Icon
To Next Page IconTo Next Page
To Next Page IconTo Next Page
To Previous Page IconTo Previous Page
To Previous Page IconTo Previous Page
Loading...
Rev. 5 – Jun 2020 Page 82 of 91
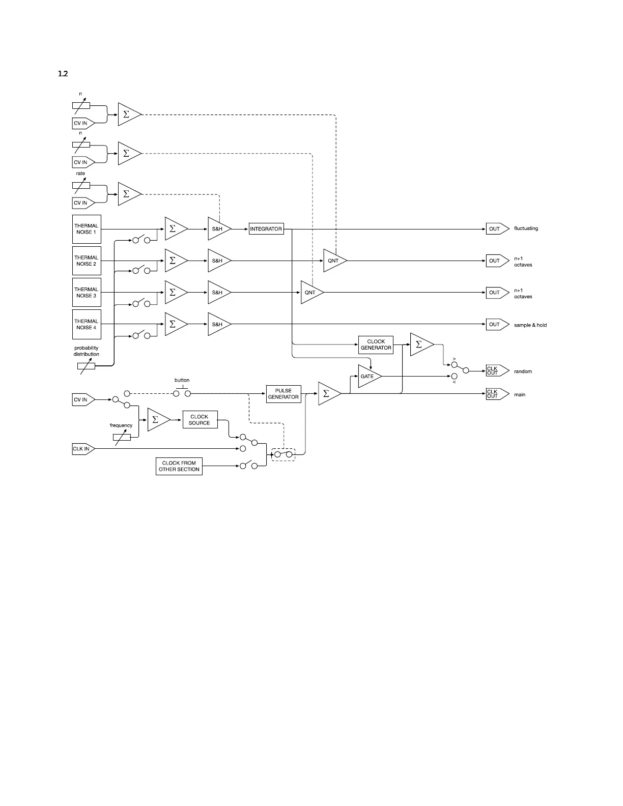
SAPÈL
Figure 83: SAPÈL’s ow chart.

Table of Contents