EasyManua.ls Logo

GE L90 - Page 801

GE L90
900 pages
Print Icon
To Next Page IconTo Next Page
To Next Page IconTo Next Page
To Previous Page IconTo Previous Page
To Previous Page IconTo Previous Page
Loading...
CHAPTER 10: THEORY OF OPERATION FAULT LOCATOR
L90 LINE CURRENT DIFFERENTIAL SYSTEM – INSTRUCTION MANUAL 10-59
10
Fault type determination is required for calculation of fault location. The algorithm uses the angle between the negative
and positive sequence components of the relay currents. To improve accuracy and speed of operation, the fault
components of the currents are used; that is, the pre-fault phasors are subtracted from the measured current phasors. In
addition to the angle relationships, certain extra checks are performed on magnitudes of the negative and zero-sequence
currents.
The single-ended fault location method assumes that the fault components of the currents supplied from the local (A) and
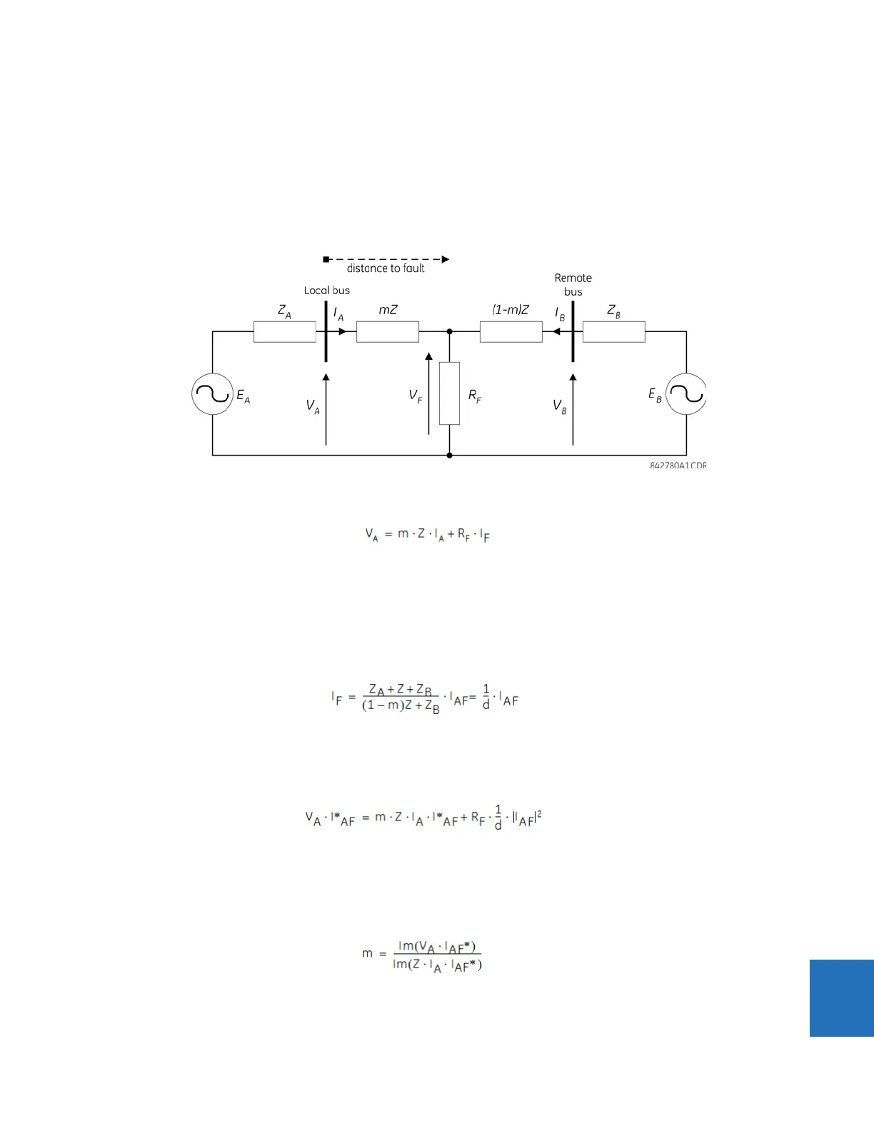
remote (B) systems are in phase. The figure shows an equivalent system for fault location.
Figure 10-19: Equivalent system for fault location
The following equations hold true for this equivalent system.
Eq. 10-73
where
m = sought pu distance to fault
Z = positive sequence impedance of the line
I
F
= fault current flowing through the fault point
The fault network during a fault can be decomposed into a pre-fault and a pure-fault network. Therefore, the fault current
I
F
is calculated as follows by using the current division rule in the pure-fault network.
Eq. 10-74
where
d is the current distribution factor, which is a complex value
Substituting the second equation into the first equation and multiplying both sides by the complex conjugate of IAF,
Eq. 10-75
where
* denotes complex conjugate
Assuming the system is homogeneous, d is then a real number. The fault resistance does not have any imaginary part. The
preceding equation solved for the unknown m yields the following fault location algorithm:
Eq. 10-76
where
Im( ) stands for the imaginary part of a complex number

Table of Contents

Related product manuals