EasyManua.ls Logo

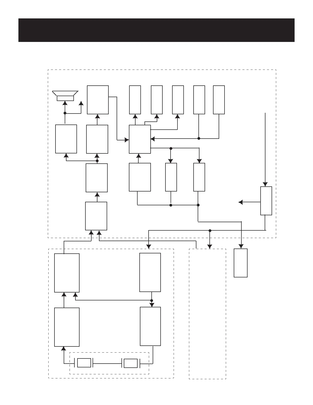
Hadeco Smartdop 30EX - Block Diagram

Hadeco Smartdop 30EX
72 pages
Print Icon
To Next Page IconTo Next Page
To Next Page IconTo Next Page
To Previous Page IconTo Previous Page
To Previous Page IconTo Previous Page
Loading...
Smartdop
®
30EX Basic Operation
Speaker
Headset
Power
Amplier
Phase Wave
Detection
High Frequency
Amplier
High Frequency
Output
High Frequency
Oscillator
Transducers
Main UnitProbe
12. BLOCK DIAGRAM
42
Probe 2
Probe
Selector
Pre-
Amplier
Comparator
Phase
Detection
CPU
Pressure
Sensor
Cuff
Inf. Pump
Def. Valve
USB
Printer
LCD
Probe button
Panel Buttons
RechargePower Supply

Table of Contents

Other manuals for Hadeco Smartdop 30EX

Related product manuals