EasyManua.ls Logo

HALE SmartFOAM - System Diagram

Default Icon
102 pages
Print Icon
To Next Page IconTo Next Page
To Next Page IconTo Next Page
To Previous Page IconTo Previous Page
To Previous Page IconTo Previous Page
Loading...
Page 15
SmartFOAM
SYSTEM DIAGRAM
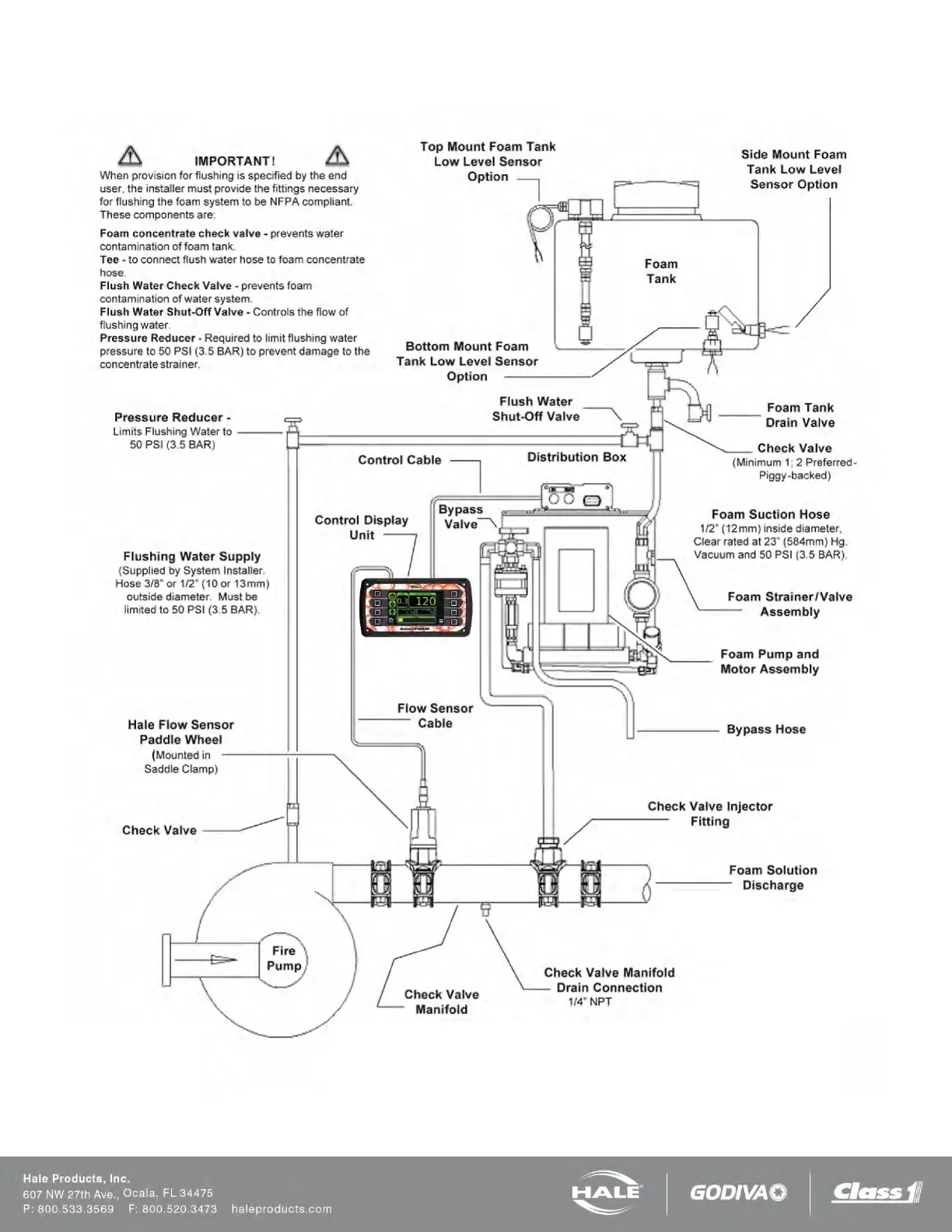
Figure 6: Typical Hale SmartFOAM 2.1A and 1.7AHP System

Table of Contents

Related product manuals