EasyManua.ls Logo

Hitachi ZAXIS 70 - Page 162

Hitachi ZAXIS 70
317 pages
Print Icon
To Next Page IconTo Next Page
To Next Page IconTo Next Page
To Previous Page IconTo Previous Page
To Previous Page IconTo Previous Page
Loading...
MAINTENANCE
7-8
HOOD AND ACCESS COVERS
ZAXIS85US
CAUTION:
1. Do not keep the hood and access covers open
when the machine is parked on a slope, or
while the wind is blowing hard. The hood or
access covers may close accidentally, possi-
bly resulting in personal injury.
2. When opening or closing the hood and ac-
cess covers, take extra care not to catch fin-
gers between the base machine and the hood
or access covers.
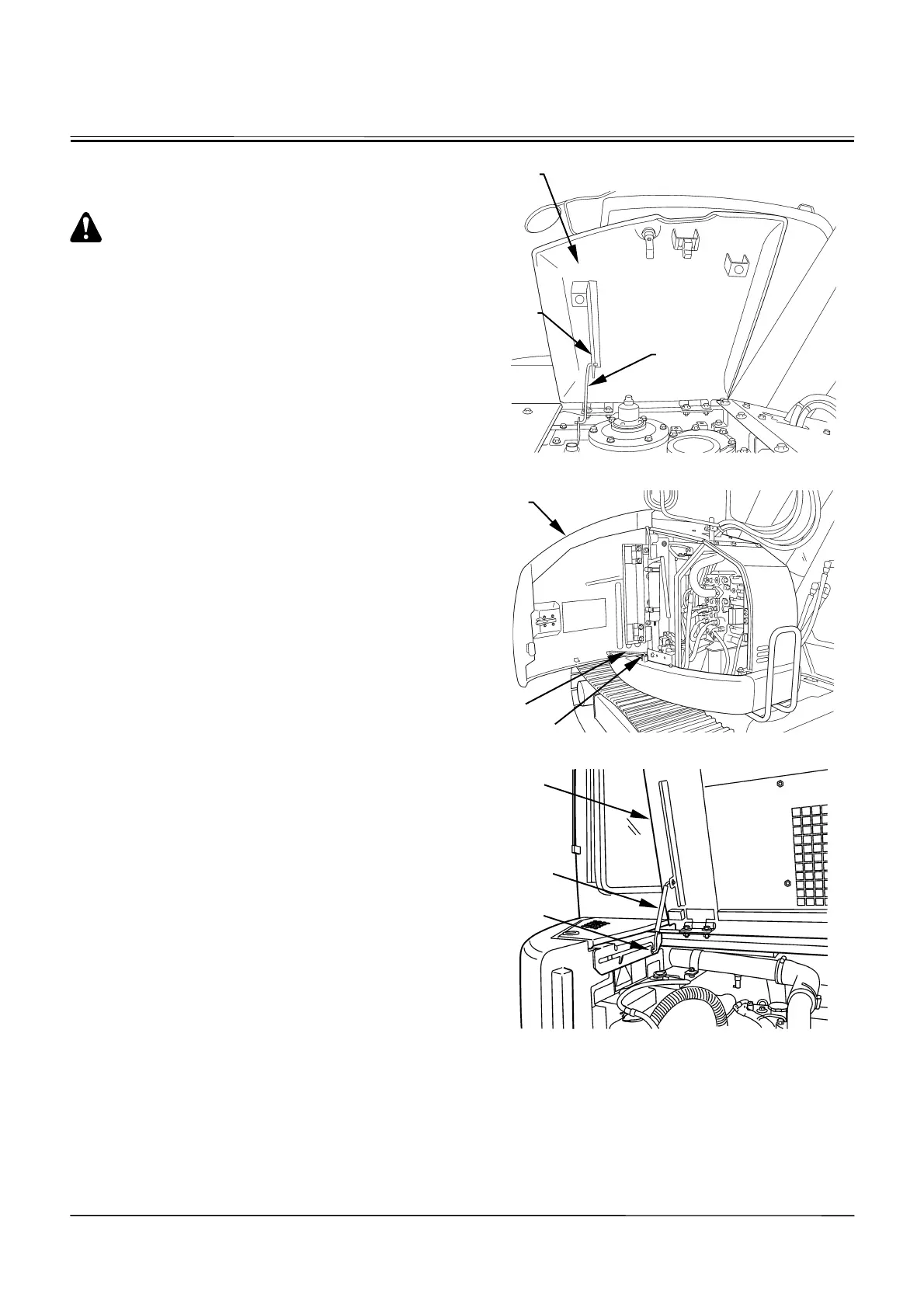
After opening upper right cover (1), support upper right
cover (1) by inserting rod (2) into lock hole (3).
After opening valve cover (4), support valve cover (4) by
inserting rod (5) into lock hole (6).
After opening engine cover (7), be sure to support engine
cover (7) by inserting rod (8) into lock hole (9).
M1CG-07-005
M1CG-07-004
M1CG-07-032
2
5
6
U
pp
er Ri
g
ht Cover
Engine Cover
Valve Cover
1
3
4
7
8
9

Table of Contents