EasyManua.ls Logo

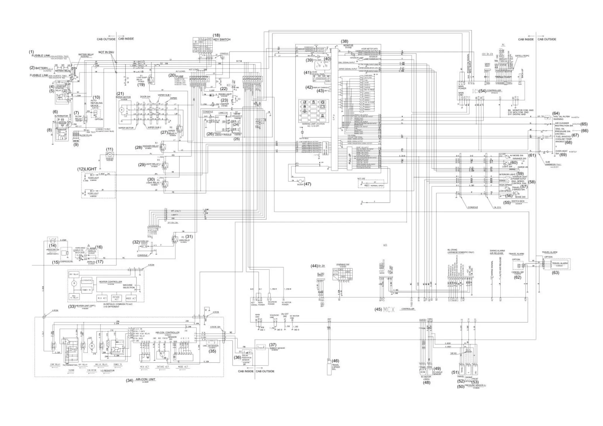
Hitachi ZAXIS 70 - Zaxis70;70 Lc;80 Sb;80 Sblc;85 Us Electrical Diagram

Hitachi ZAXIS 70
317 pages
Print Icon
To Next Page IconTo Next Page
To Next Page IconTo Next Page
To Previous Page IconTo Previous Page
To Previous Page IconTo Previous Page
Loading...
8-5
ZAXIS70/70LC/80SB/80SBLC/85US ELECTRICAL DIAGRAM

Table of Contents

Related product manuals