EasyManua.ls Logo

HP Integrity rx4640 - Figure 3-3 Installing Processor on Extender Board

HP Integrity rx4640
89 pages
Print Icon
To Next Page IconTo Next Page
To Next Page IconTo Next Page
To Previous Page IconTo Previous Page
To Previous Page IconTo Previous Page
Loading...
Chapter 3
Upgrade Procedures for 1.5 GHz (A9731A) or 1.6 GHz (A9732A, or A9733A) Processors
Introduction
47
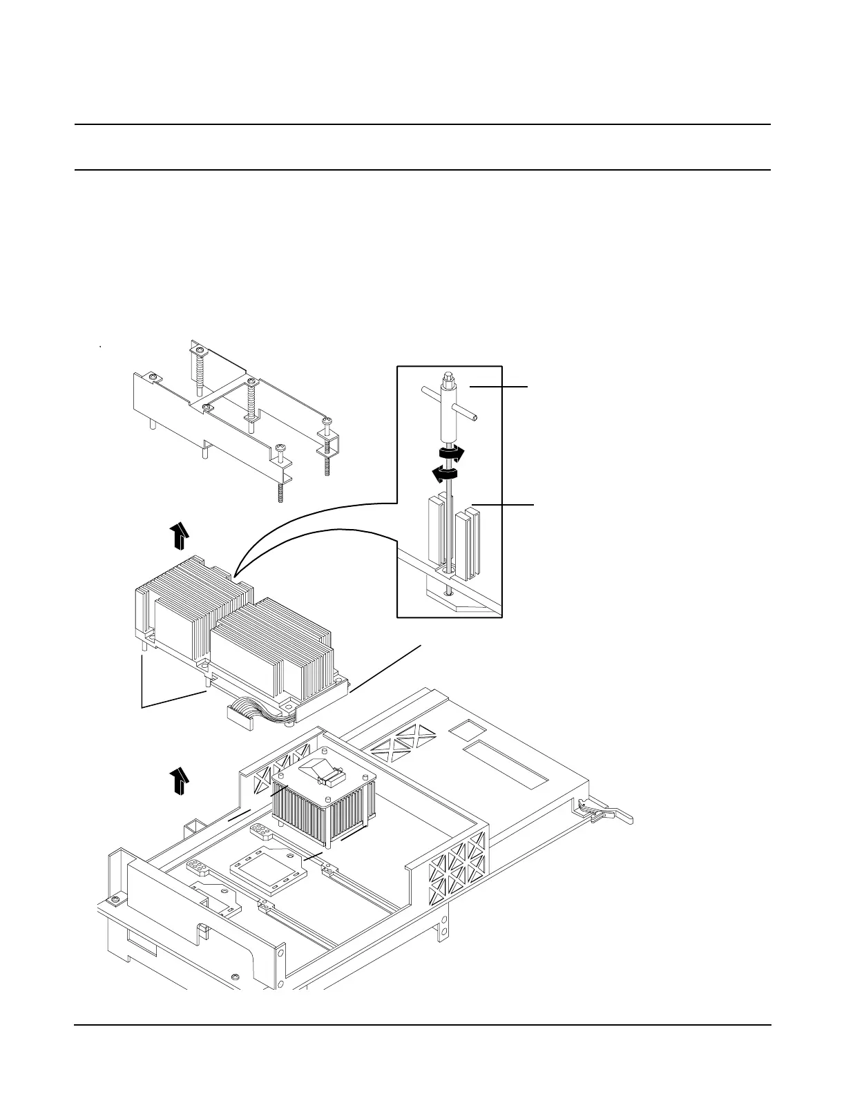
CAUTION Do not overtighten the 4 shoulder screws—they may shear off if overtightened. Stop
tightening the shoulder screws when you feel them just bottom out.
Figure 3-3 Installing Processor on Extender Board
Align pins on
heatsink with
slots in frame
Power cable protected by
plastic sleeve
slots*
slots*
*slots shown are at
CPU socket #1 for
clarity.
Processor shown is
being mounted on
socket #0 per CPU load
order.
1
3
2
4
5
6
Torx-T15
Use supplied
wrench for
tightening
shoulder screws
and thumbscrews
2.5MM Allen
Tightening sequence for 6-shoulder
screws is:
1,2,3,4,5,6
DO NOT OVERTIGHTEN!

Table of Contents

Other manuals for HP Integrity rx4640

Related product manuals