EasyManua.ls Logo

Hussmann Super Plus - Page 146

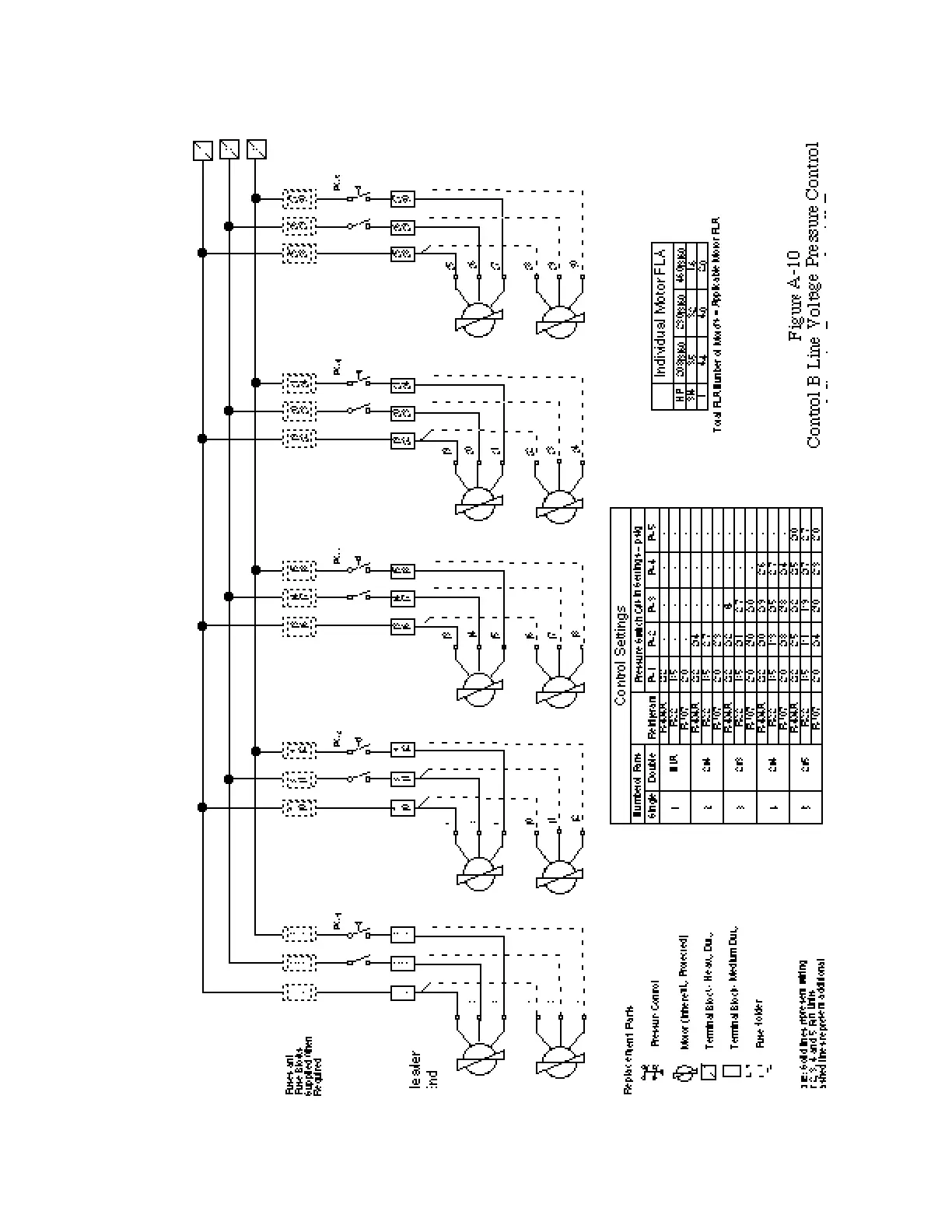
Hussmann Super Plus
147 pages
Print Icon
To Next Page IconTo Next Page
To Next Page IconTo Next Page
To Previous Page IconTo Previous Page
To Previous Page IconTo Previous Page
Loading...
HUSSMANN CORPORATION • BRIDGETON, MO 63044-2483 • Printed in USA
Addendum – April 15, 1997 P/N 340272A
A - 11

Table of Contents

Related product manuals