EasyManua.ls Logo

Hussmann Super Plus - Rack to Condenser Piping

Hussmann Super Plus
147 pages
Print Icon
To Next Page IconTo Next Page
To Next Page IconTo Next Page
To Previous Page IconTo Previous Page
To Previous Page IconTo Previous Page
Loading...
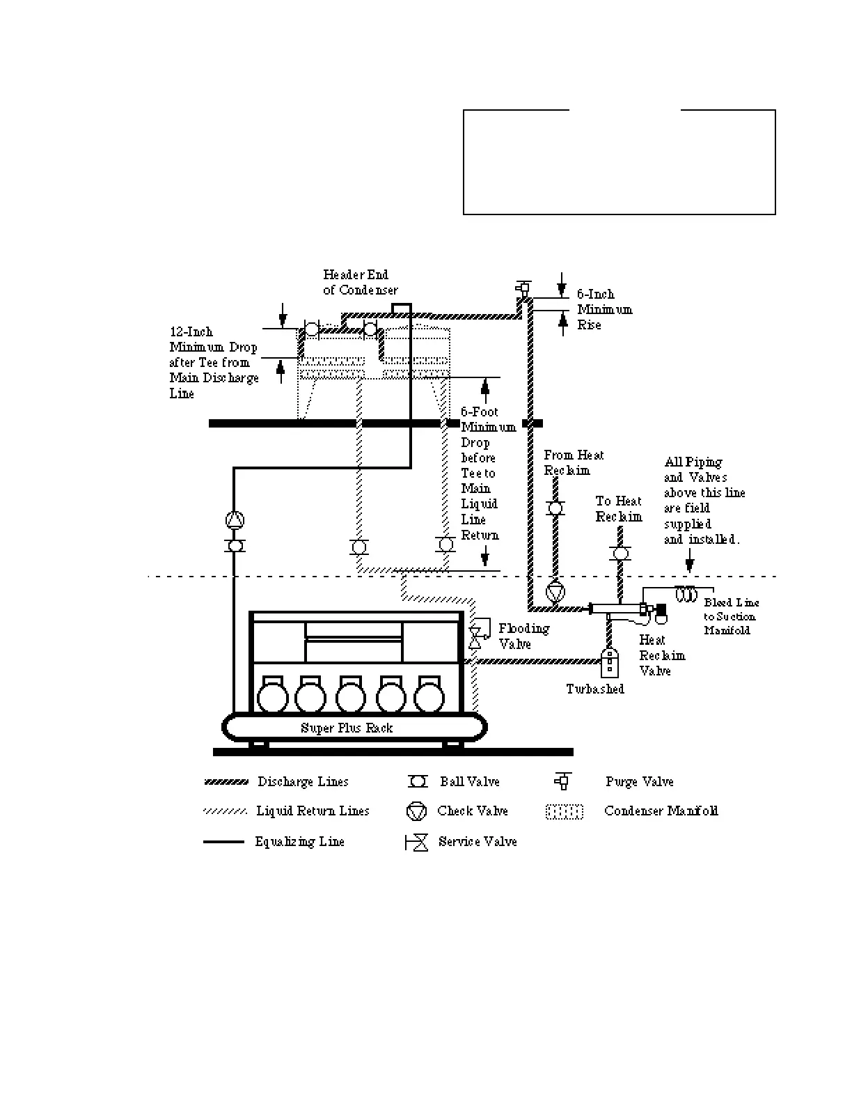
RACK TO CONDENSER PIPING
Connecting to One Manifold
• D i s c h a r ge Line will be routed directly to the con-
denser inlet stub with a purge valve at the highest
p o i n t .
Liquid Return Line will be pitched downstream,
and provide trapless drainage to the Super Plus.
Equalizing Line (WHEN REQUIRED)
A
7
8-inch equalizer line is piped between the
Receiver and the Condenser. A Check Va l v e
allowing flow only to the Condenser and a
shut off valve upstream of the Check Va l v e
will be field supplied and installed.
Purge Valve Location
The purge valve will be installed at the high-
est point of an inverted P-trap, with at least a
6-inch rise. Use with approved recovery
vessel.
HUSSMANN CORPORATION • BRIDGETON, MO 63044-2483 • Printed in USA
Revised April 15, 1997 P/N 340272A
3 - 3
Vent the Receiver
Safety Relief Valve
properly.
WARNING

Table of Contents

Related product manuals