EasyManua.ls Logo

Hussmann Super Plus - Autosurge for Ambient Subcooling

Hussmann Super Plus
147 pages
Print Icon
To Next Page IconTo Next Page
To Next Page IconTo Next Page
To Previous Page IconTo Previous Page
To Previous Page IconTo Previous Page
Loading...
S U B C O O L I N G
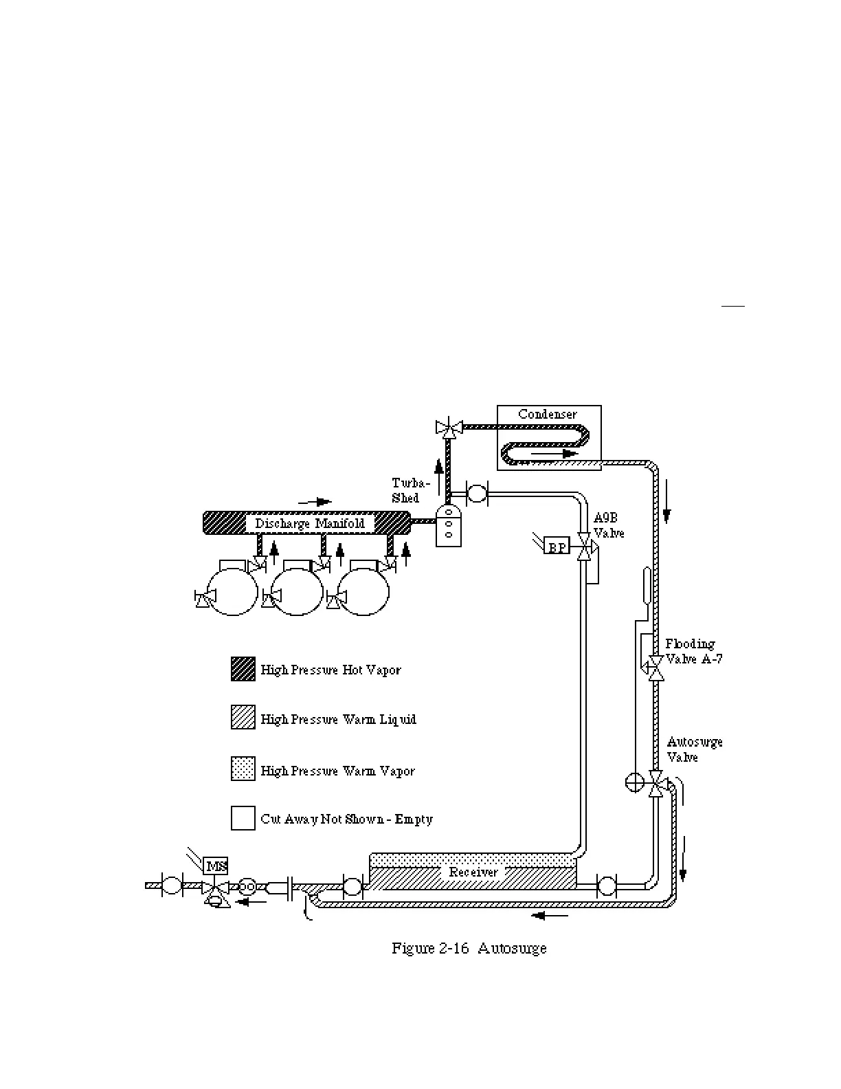
Autosurge for Ambient Subcooling
The A9B needs to be working properly for
the Autosurge Valve to function during
Koolgas Defrost.
The Autosurge Va l v e directs the flow of
refrigerant either t h rough the Receiver ( F l o w
Through), or a round the Receiver ( S u rge) in
response to ambient subcooling obtained in the
condenser.
The Autos u rg e Valve reacts to the condensing
pressure through its equalizer line, and to the
temperature of the liquid refrigerant returning
from the Condenser through a bulb mounted on
the Liquid Return Line up stream of the
Flooding Valve. When the refrigerant
temperature returning from the condenser drops
below its condensing temperature, the system
has ambient subcooling. The valve is factory set
at 10˚ F of subcooling and is n o t f i e l d
adjustable.
Revised August 1, 1996 P/N 340272A
2 - 9
HUSSMANN CORPORATION • BRIDGETON, MO 63044-2483 • Printed in USA

Table of Contents

Related product manuals