EasyManua.ls Logo

Hussmann Super Plus - Mechanical Subcooling

Hussmann Super Plus
147 pages
Print Icon
To Next Page IconTo Next Page
To Next Page IconTo Next Page
To Previous Page IconTo Previous Page
To Previous Page IconTo Previous Page
Loading...
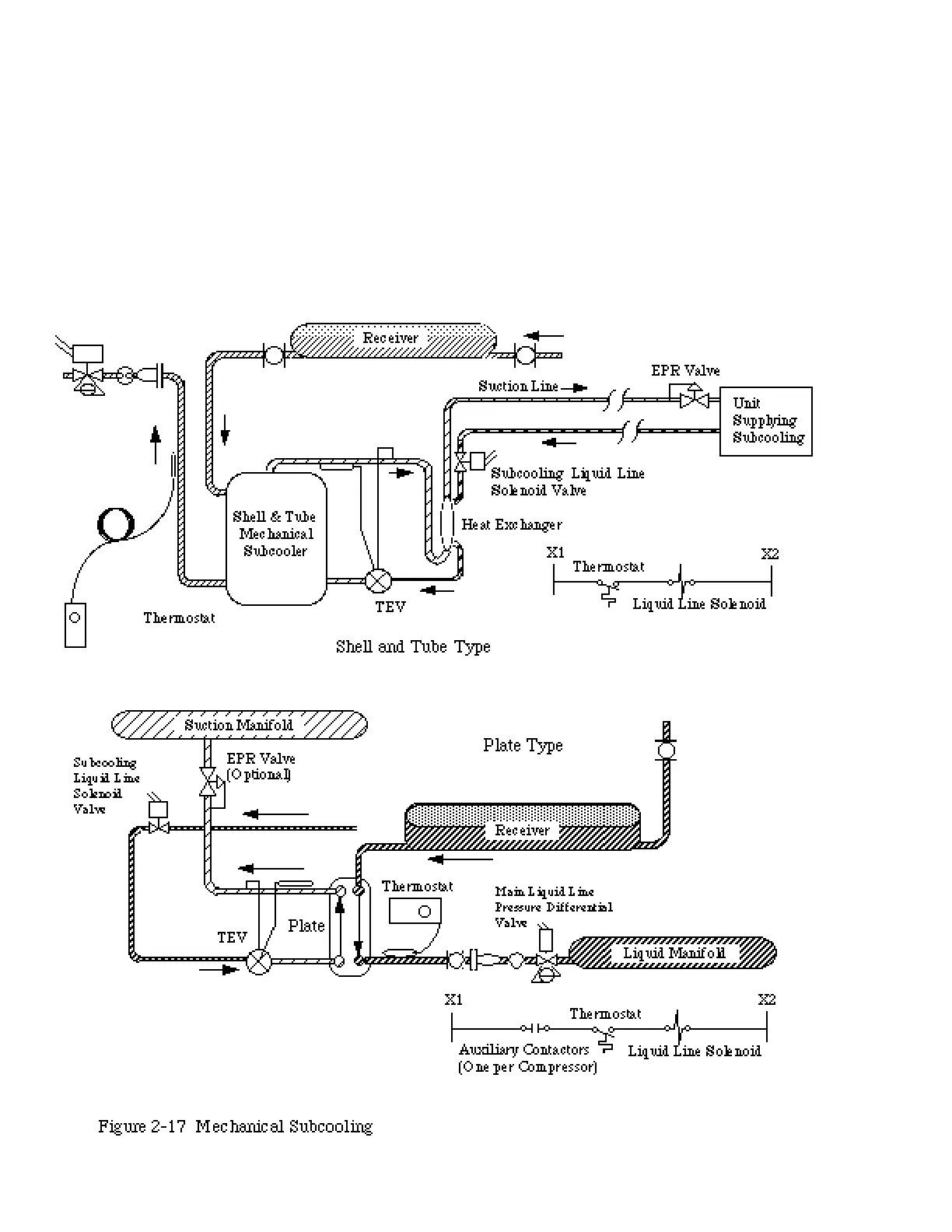
Mechanical Subcooling
By lowering the temperature of the liquid
supplied to the TEV, the efficiency of the
evaporator is increased. The lower temperature
liquid refrigerant produces less flash gas exiting
the TEV. Since mechanical subcooling uses a
direct expansion device, it is not limited by
ambient temperature.
A Liquid Line Solenoid Va l v e and a T E V
control refrigerant to the subcooler. An E P R
prevents the subcooler temperature from
dropping below desired liquid temperature.
E l e c t r i c a l l y, a thermostat responding to main
liquid line temperature controls a solenoid valve
on the liquid supply line.
REFRIGERATION PROCESS Revised August 1, 1996
2 - 10
HUSSMANN CORPORATION • BRIDGETON, MO 63044-2483 • Printed in USA

Table of Contents

Related product manuals