EasyManua.ls Logo

Hussmann Super Plus - Compressor Protection; Carlyle Internally Compounded

Hussmann Super Plus
147 pages
Print Icon
To Next Page IconTo Next Page
To Next Page IconTo Next Page
To Previous Page IconTo Previous Page
To Previous Page IconTo Previous Page
Loading...
HUSSMANN CORPORATION • BRIDGETON, MO 63044-2483 • Printed in USA
ELECTRICAL Revised August 1, 1996
4 - 18
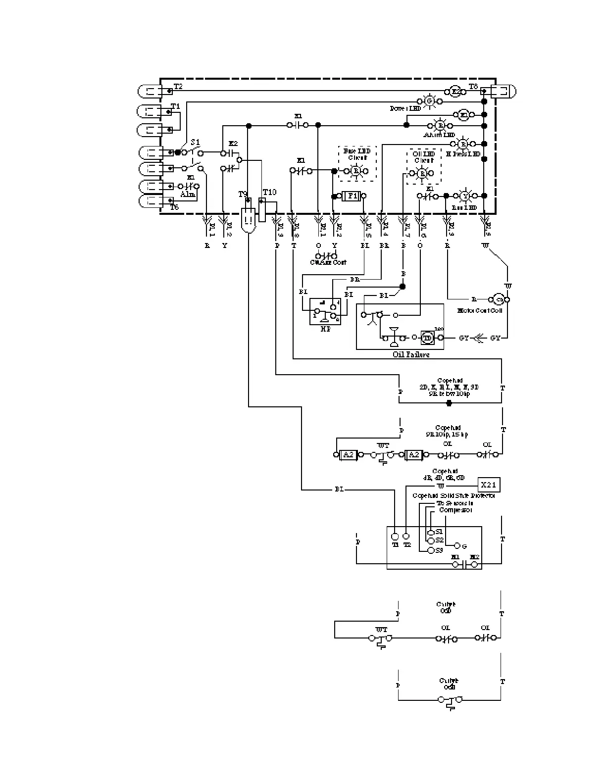
Compressor Protection
(E X C E P T CA R LY L E IN T E R N A L LY CO M P O U N D E D
COMPRESSORS)
Compressor protection is determined by the
type of compressor used. These controls are
wired between P1,3 and P1,8. Since the con-
trols reset automatically, an open compressor
protector will not cause an alarm situation.

Table of Contents

Related product manuals