EasyManua.ls Logo

Kinze 3605 - Valve Block - Located on Rear Center Frame

Kinze 3605
220 pages
Print Icon
To Next Page IconTo Next Page
To Next Page IconTo Next Page
To Previous Page IconTo Previous Page
To Previous Page IconTo Previous Page
Loading...
Model 3605M0312-01
07/20 6-41
Lubrication and Maintenance
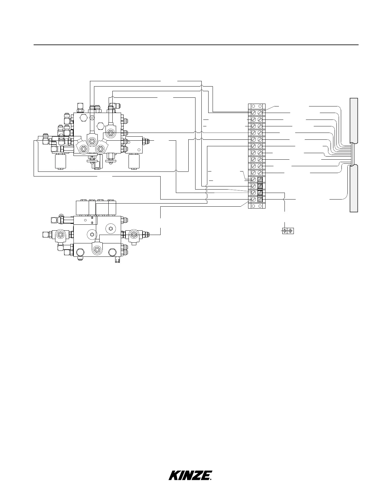
VALVE BLOCK - LOCATED ON REAR CENTER FRAME
1. BLACK - Pin “T” (Ground)
2. RED/BLACK - Pin “U” (R.H. Two-Speed Clutch)*
3. YELLOW - Pin “S” (Le.H.Two-Speed Clutch)*
4. ORANGE/BLACK - Pin “W” (Auxiliary) - Ports V5 & V6
5. ORANGE/BLACK - Pin “W” (Auxiliary) - Ports V5 & V6
6. BLUE/BLACK - Pin “V” (Raise To Transport) - Port V16
7. RED - Pin “O” (R.H. Marker) - Port V1
8. BLUE - Pin “H” (L.H. Marker) - Port V2
9. ORANGE - Pin “G” (R.H. Point Row Clutch)
10. BROWN - Pin “R” (L.H. Point Row Clutch)
11. YELLOW/RED - Pin “F” (Wing Lock) - Ports V3 & V4
12. YELLOW/RED - Pin “F” (Wing Lock) - Ports V3 & V4
13. BLACK - (R.H. Point Row Ground)
14. BLACK - (L.H. Point Row Ground)
15. RED - (R.H. Point Row)
16. RED - (L.H. Point Row)
12. Yellow/Red
11. Yellow/Red
10. Brown
9. Orange
8. Blue
7. Red
6. Blue/Black
5. Orange/Black
4. Orange/Black
3. Yellow
2. Red/Black
1. Black Ground
Ground to
planter frame
Terminal
Strip
13. (R.H. Point Row)
Black Ground
14. (L.H. Point Row)
Black Ground
16. L.H. (Point Row) Red
15. R.H. (Point Row) Red
Ground
Ground
Ground
Ground
Ground
V1
V2
V3
V6
P1
V5
P2
V4
V15
V17
V16
V8
V7

Table of Contents

Related product manuals