EasyManua.ls Logo

LeeBoy 8510b - Hydraulic 3 of 4

LeeBoy 8510b
320 pages
Print Icon
To Next Page IconTo Next Page
To Next Page IconTo Next Page
To Previous Page IconTo Previous Page
To Previous Page IconTo Previous Page
Loading...
9
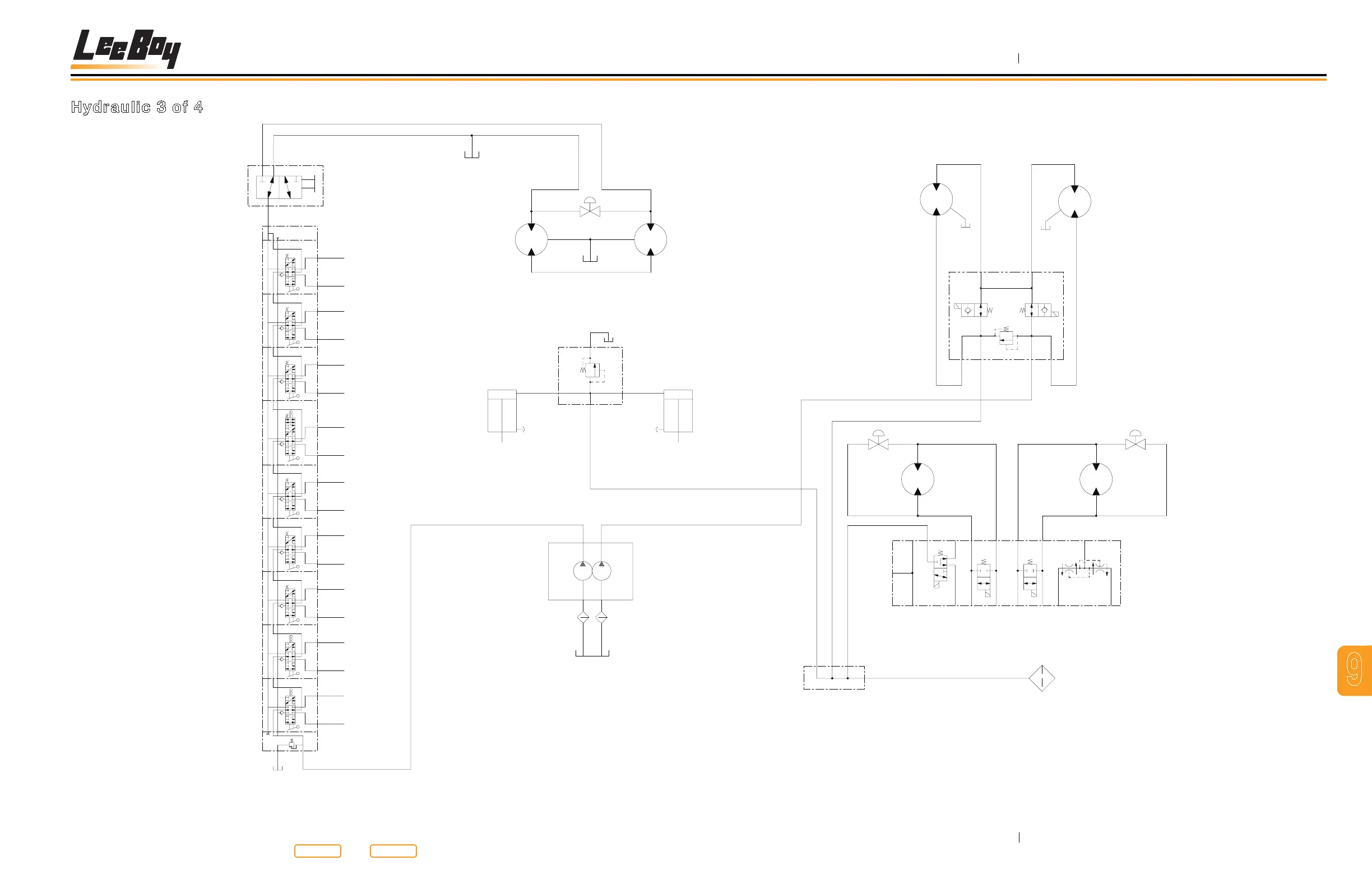
9-29
Schematics
LeeBoy Model 8510B Conveyor Paver
Hydraulic 3 of 4
851628A
MANIFOLD,
CONVEYOR
DRIVE
700 PSI
850001
MANIFOLD,
AUGERS & 2
SPEED
SV3
SV2
SV1
I
EXTENSION
(RIGHT)
SCREED
CUTOFF (LEFT)
CUTOFF (RIGHT)
SIDEWING
AUGER (LEFT)
AUGER (RIGHT)
A
B
A
B
A
B
A
B
A
B
A
B
A
B
A
B
A
B
P
T
2200 PSI
(LEFT)
EXTENSION
CONVEYOR RAISE
A2 TPB1
B2 A1
2400 PSI
L
R
L
R
960476A
MANIFOLD,
CHARGE FILTER
910080
VALVE
SELECTOR
1001027
CONVEYOR MOTOR
851161
VALVE ASSY, 9 SECTION
983405
MOTOR, HYD, GEAR, 1.17 CIR
8515 SCREED VIRBATOR
R
L
L
R
983405
MOTOR, HYD, GEAR, 1.17 CIR
8515 SCREED VIRBATOR
981941 FLOW
CONTROL, 1/2
17 cc
23 cc
987473
PUMP, HYD,
AUX, H1
36123
STRAINER,
HYD SUCTION,
200 MESH
980607-01
TENSION CYLINDER POLY TRACK
CYL, HYD, 3.50X4.00X1.25 ROD
811331
TENSION CYLINDER RUBBER TRACK
CYL, HYD, 3.50X3.00X1.25 ROD
980607-01
TENSION CYLINDER POLY TRACK
CYL, HYD, 3.50X4.00X1.25 ROD
811331
CYL, HYD, 3.50X3.00X1.25 ROD
RC1
LB1
LC2VPA2VPB2VPA3VRB3PSRB1
VPA1RA2RB2LA3LB3PB4VB1 TA4
A
B
981941 FLOW
CONTROL, 1/2
A
B
981941 FLOW
CONTROL, 1/2
1001027
AUGER
MOTOR
1001027
AUGER
MOTOR
290010
FILTER HEAD,
HYD
CHARGE/RETURN
290030
FILTER
ELEMENT,
HYD CHARGE
TENSION CYLINDER RUBBER TRACK
Figure 9-14
Return to
Last Viewed
Return to
Thumb Index

Table of Contents

Related product manuals