EasyManua.ls Logo

Maschio PITAGORA INLINE - Electrical Diagram; Hydraulic Circuit Diagram

Maschio PITAGORA INLINE
100 pages
Print Icon
To Next Page IconTo Next Page
To Next Page IconTo Next Page
To Previous Page IconTo Previous Page
To Previous Page IconTo Previous Page
Loading...
OPERATOR'S MANUAL
ENGLISH
Cod. EKE0002OM
95
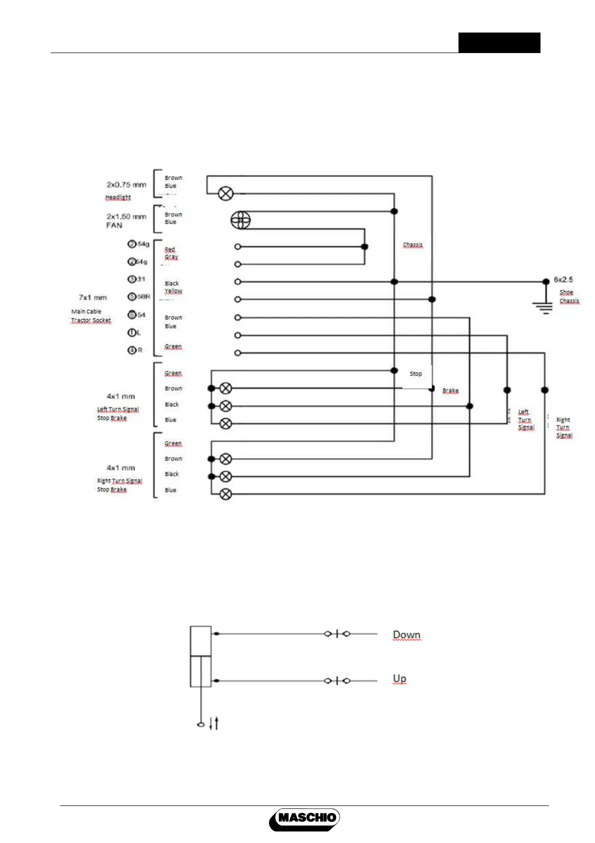
7.4. Electrical Diagram
PITAGORA INLINE Baler electrical drawing is given in Figure 1.
PITAGORA INLINE Baler Electrical Drawing
Figure 1
7.5. Hydraulic Circuit Diagram
PITAGORA INLINE Baler hydraulic circuit diagram is illustrated in Figure 2.
Hydraulic Circuit Diagram
Figure 2

Table of Contents

Related product manuals