EasyManua.ls Logo

Maschio PITAGORA INLINE - Connecting the Drawbar to Tractor; Connecting and Releasing Jack System

Maschio PITAGORA INLINE
100 pages
Print Icon
To Next Page IconTo Next Page
To Next Page IconTo Next Page
To Previous Page IconTo Previous Page
To Previous Page IconTo Previous Page
Loading...
OPERATOR'S MANUAL
ENGLISH
Cod. EKE0002OM
29
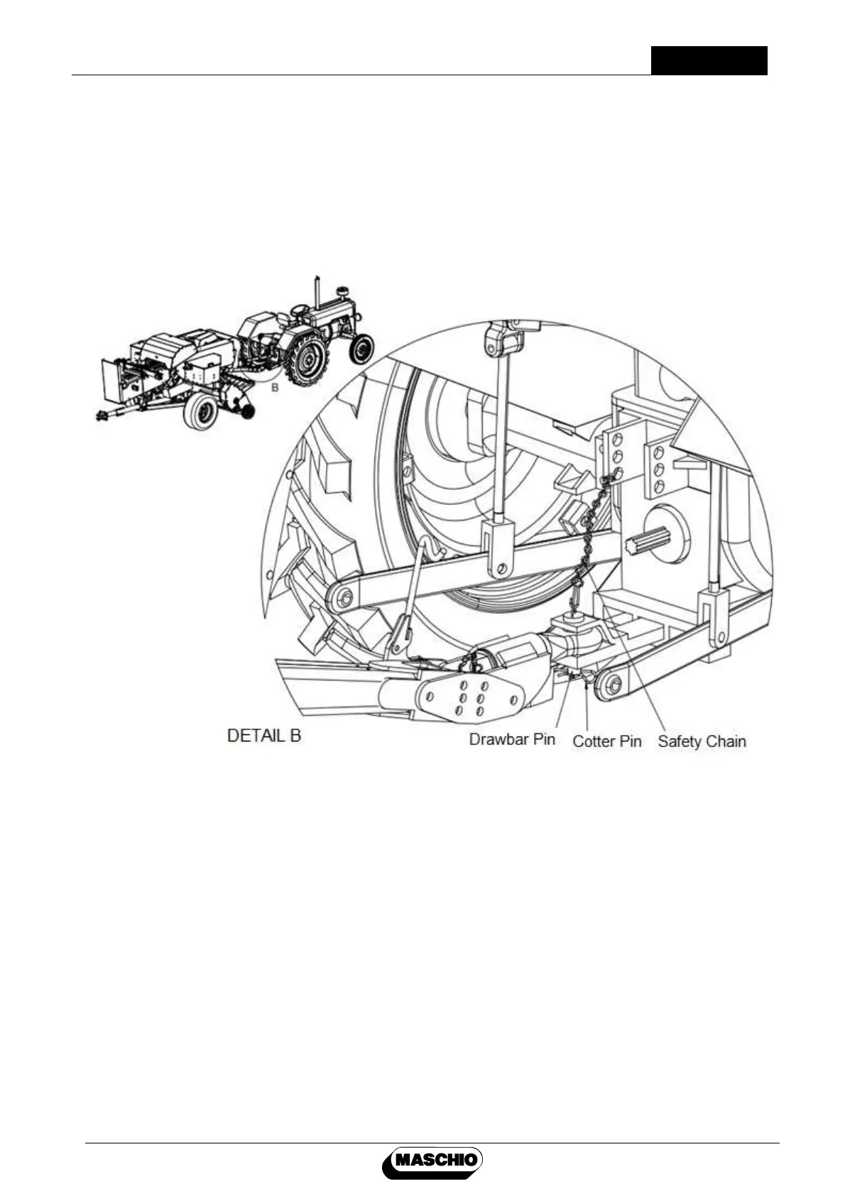
4.2. Connecting the Drawbar to Tractor
Drawbar must be connected using an appropriate pin. Safety pin must be installed in
its place after making drawbar connection (Figure 1). Drive the tractor in reverse gear until
approaching to the baler. Align the strut with baler drawbar and install drawbar pin. Use
retainer bolts to keep the drawbar in stable position directly under tractor PTO shaft center
line. Do not allow the strut to swing around.
Figure 1
4.3. Connecting and Releasing Jack System
The jack system (3) on the drawbar, bears the load of baler when not connected to the
tractor. You can adjust baler’s height distance to the ground by turning jack lever no. (4) in
clockwise or counter-clockwise (Figure 1) .

Table of Contents

Related product manuals