EasyManua.ls Logo

Mindray A7 - Page 51

Mindray A7
482 pages
Print Icon
To Next Page IconTo Next Page
To Next Page IconTo Next Page
To Previous Page IconTo Previous Page
To Previous Page IconTo Previous Page
Loading...
A7™ Service Manual 046-006272-00 1 - 37
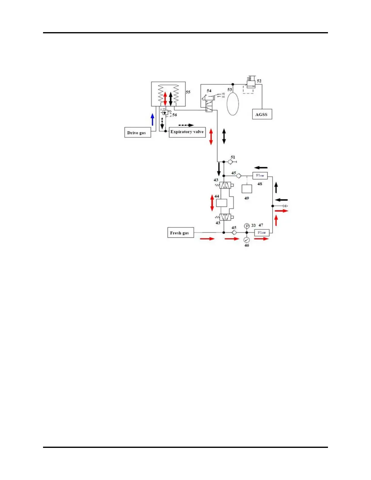
Theory of Operation Gas Flow
1.3.4.14.1.2 Fresh Gas Path
FIGURE 1-39
Red arrows: direction of the fresh gas.
Black arrows: direction of the patient's expired gas.
Blue arrows: input direction of the drive gas.
Black dotted arrows: output direction of the drive gas.
1.3.4.14.2 Manual Ventilation
1.3.4.14.2.1 Flow Path
When the Auto/Manual switch is set to Manual, the operator squeezes the manual breathing bag (53)
to supply gas for the breathing system. The APL valve (52) is used to adjust the pressure inside the
pneumatic circuit in case of manual ventilation. When the Auto/Manual switch is set to Auto, the
ventilator mechanically assists or replaces the spontaneous breathing of the patient. The ventilator
controls the drive gas to depress the bag inside bellows (55) and supply gas for the breathing system
according to the selected ventilation mode.

Table of Contents

Other manuals for Mindray A7

Related product manuals