EasyManua.ls Logo

Mindray A7 - Page 50

Mindray A7
482 pages
Print Icon
To Next Page IconTo Next Page
To Next Page IconTo Next Page
To Previous Page IconTo Previous Page
To Previous Page IconTo Previous Page
Loading...
Gas Flow Theory of Operation
1 - 36 046-006272-00 A7™ Service Manual
1.3.4.14.1 Mechanical Ventilation
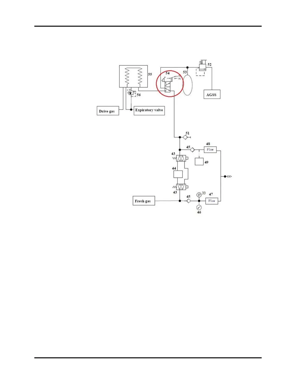
FIGURE 1-38
1.3.4.14.1.1 Drive Gas Path
In case of mechanical ventilation, during inspiration, gas flows through the Auto/Manual ventilation
switch (54), sodalime absorber canister (integrating 44 and 43), inspiratory check valve (45), O2
sensor, airway pressure gauge (46), and inspiratory flow sensor (47) to the patient. During expiration,
gas flows through the expiratory flow sensor (48), expiratory check valve (45), and Auto/Manual
ventilation switch (54) to the bellows. Airway pressure is monitored by the airway pressure gauge
(46).

Table of Contents

Other manuals for Mindray A7

Related product manuals