EasyManua.ls Logo

Mirae Mx200 - Page 471

Default Icon
681 pages
Print Icon
To Next Page IconTo Next Page
To Next Page IconTo Next Page
To Previous Page IconTo Previous Page
To Previous Page IconTo Previous Page
Loading...
Appendix G-29
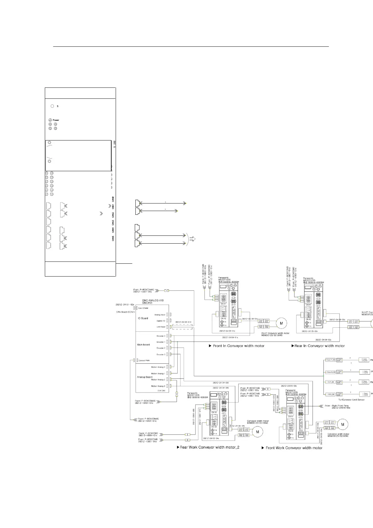
VME CAN-2 Board Block Diagram
Conveyor width Motor Block
Diagram
Outlet Conveyor width Motor Block Diagram
CAN
x
2821Z-24101-01
x
2821Z-24101-02
See "2821Z-24100-010"
See "2821Z-24100-020"
"Inlet/Machine Conveyor"
"Outlet Machine"
"TFV_V"
See "2821Z-24300-020"
2821Z-24301-02
x
2821Z-24301-03
x

Table of Contents

Related product manuals