EasyManua.ls Logo

Mirae Mx200 - Page 472

Default Icon
681 pages
Print Icon
To Next Page IconTo Next Page
To Next Page IconTo Next Page
To Previous Page IconTo Previous Page
To Previous Page IconTo Previous Page
Loading...
G-30 Mx-Series Manual
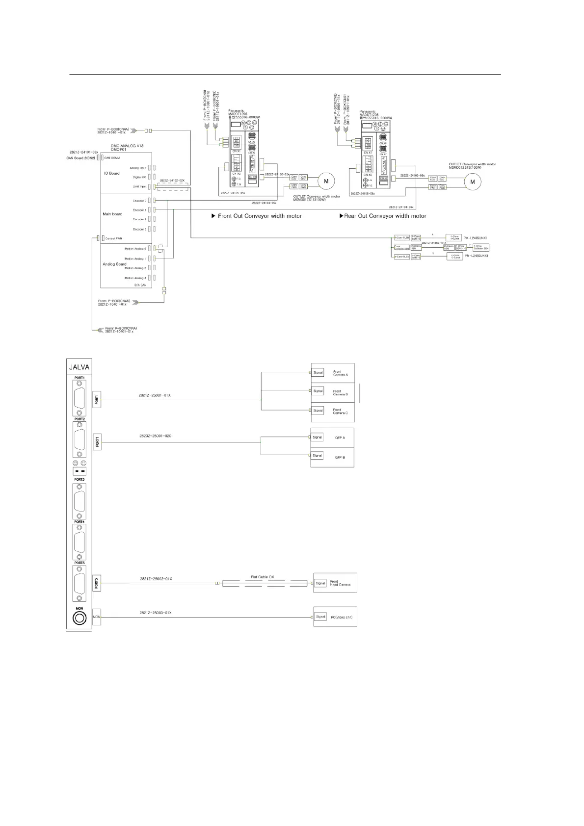
Front JALVA B/D 1 Block Diagram
Rear JALVA B/D 2 Block Diagram

Table of Contents

Related product manuals