EasyManua.ls Logo

Mirae Mx200 - Page 475

Default Icon
681 pages
Print Icon
To Next Page IconTo Next Page
To Next Page IconTo Next Page
To Previous Page IconTo Previous Page
To Previous Page IconTo Previous Page
Loading...
Appendix G-33
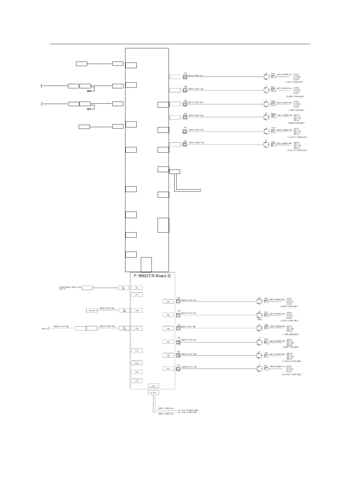
FROM (2821Z-23006-
01x)
Nx12 10
From :P-BOX CN4B
From :P-BOX CN5
Conveyor2 Step
Motor Controller
Cooling Board Block Diagram
P-9902(T/B Board
1)
CN1
CN12
CN2
CN8
CN3
CN9
CN4
CN5
CN10
CN6
CN13
CN7
CN14
CN15
CN11
TB
CN1
Daul Conv 일경우 2822Z-27101-01x
TB Board CN8 연결
FROM (2821Z-23006-01x)
Nx12 10
TB
CN10
2821Z-27006-01
x
Next-M
Machine
Conn.
x
2821Z-27005-02
2821Z-27005-01
x
Pre-M.
Pre-M.
Pre-M.
TB3(CN8)
2821Z-27004-01
x
TB
CN8
TB
CN9
TB CN11
2821Z-10402-01
x
2821Z-10501-01
x

Table of Contents

Related product manuals