EasyManua.ls Logo

Mitsubishi 4G6 series - Removal and Installation (Multipoint Fuel Injection)

Mitsubishi 4G6 series
108 pages
Print Icon
To Next Page IconTo Next Page
To Next Page IconTo Next Page
To Previous Page IconTo Previous Page
To Previous Page IconTo Previous Page
Loading...
4G6 ENGINE (E-W) -
Alternator and Ignition System
11A-3-2
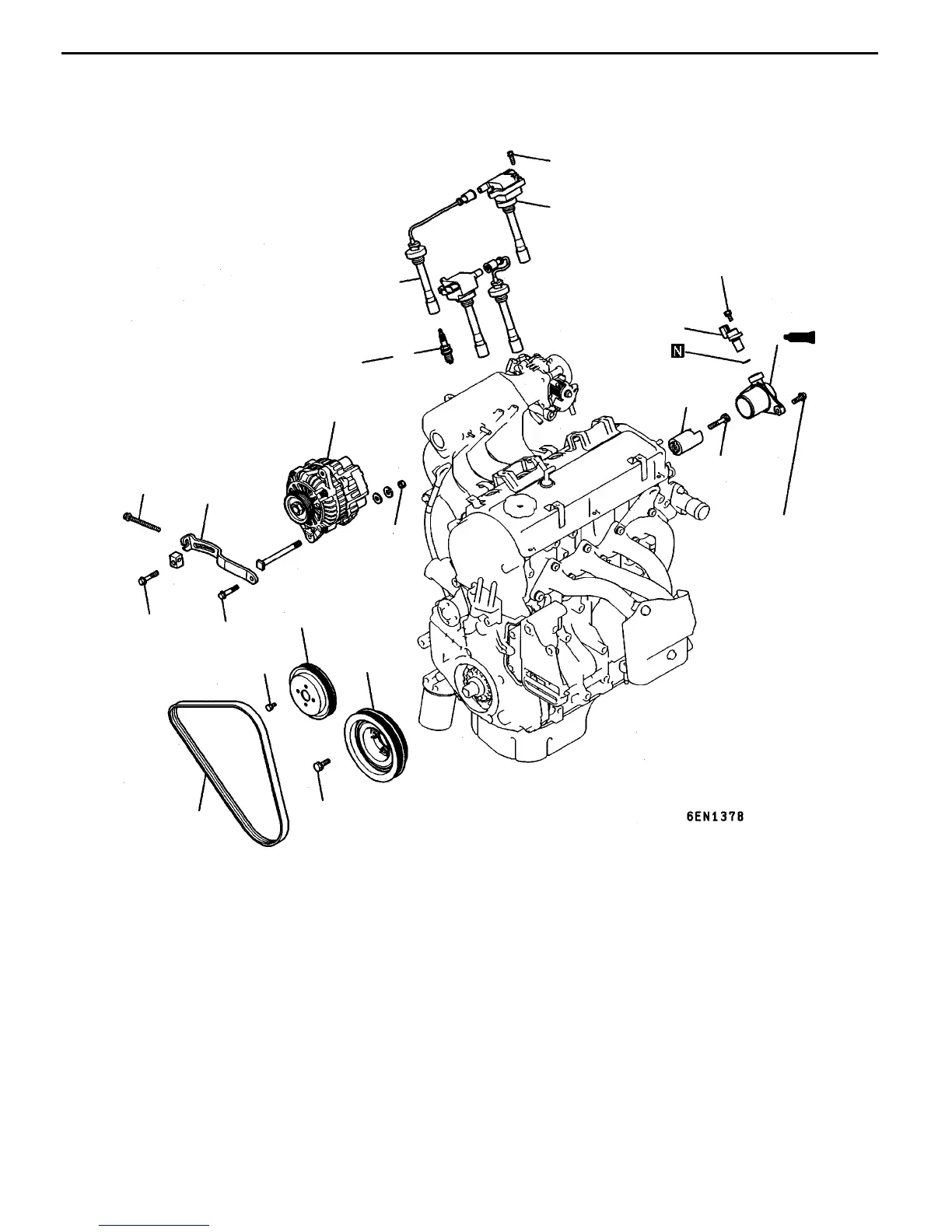
REMOVAL AND INSTALLATION <MULTIPOINT FUEL INJECTION>
11
10
4
5
2
3
1
7
9
22 Nm
14 Nm
24 Nm
22 Nm
9Nm
25 Nm
44 Nm
25 Nm
6
10 Nm
10 Nm
r
10 Nm
8
Removal steps
1. Drive belt
2. Water pump pulley
3. Alternator brace
4. Alternator
5. Crankshaft pulley
6. Spark plug cable
7. Ignition coil assembly
8. Spark plug
9. Camshaft position sensor
"AA 10. Camshaft position sensing support
11. Camshaft position sensing cylinder
PWEE9616
E
Dec. 1996Mitsubishi Motors Corporation

Table of Contents

Related product manuals