EasyManua.ls Logo

Mitsubishi 4G6 series - Removal and Installation (Multipoint Fuel Injection - Galant)

Mitsubishi 4G6 series
108 pages
Print Icon
To Next Page IconTo Next Page
To Next Page IconTo Next Page
To Previous Page IconTo Previous Page
To Previous Page IconTo Previous Page
Loading...
4G6 ENGINE (E-W) -
Fuel and Emission Control Parts
11A-5-2
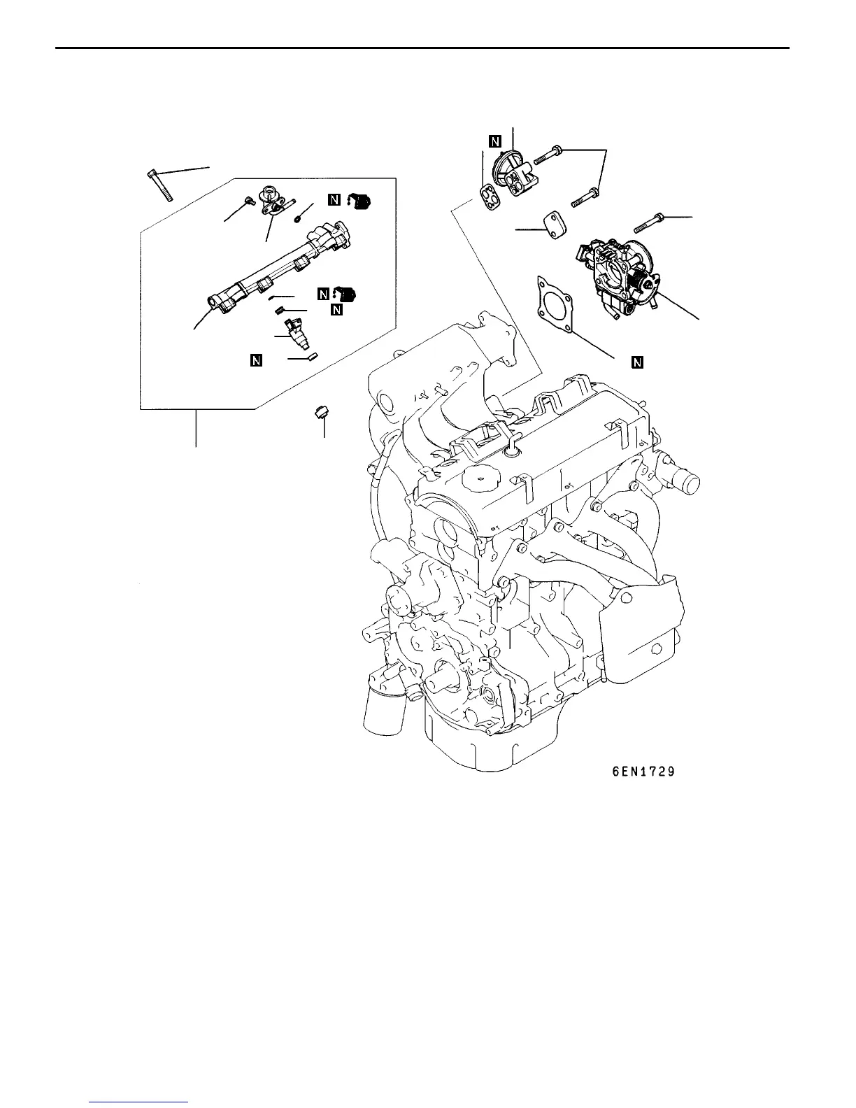
REMOVAL AND INSTALLATION <MULTIPOINT FUEL INJECTION - GALANT>
1
10
13
12
7
9
18 Nm
2
11
8
12 Nm
6
5
22 Nm
3
4
9Nm
14
Removal steps
1. Throttle body
"
C
A
2. Throttle body gasket
3. EGR valve (With EGR valve)
4. Cover (Without EGR valve)
5. EGR valve gasket
6. Injectors and delivery pipe
7. Insulator
"
B
A
8. Fuel pressure regulator
9. O-ring
10. Insulator
"
A
A
11. Injectors
12. O-ring
13. Grommet
14. Delivery pipe
RevisedPWEE9616-A
E
Aug. 1998Mitsubishi Motors Corporation

Table of Contents

Related product manuals