EasyManua.ls Logo

Mitsubishi 4G6 series - ROCKER ARMS AND CAMSHAFT; Removal and Installation

Mitsubishi 4G6 series
108 pages
Print Icon
To Next Page IconTo Next Page
To Next Page IconTo Next Page
To Previous Page IconTo Previous Page
To Previous Page IconTo Previous Page
Loading...
4G6 ENGINE (E-W) -
Rocker Arms and Camshaft
11A-8-1
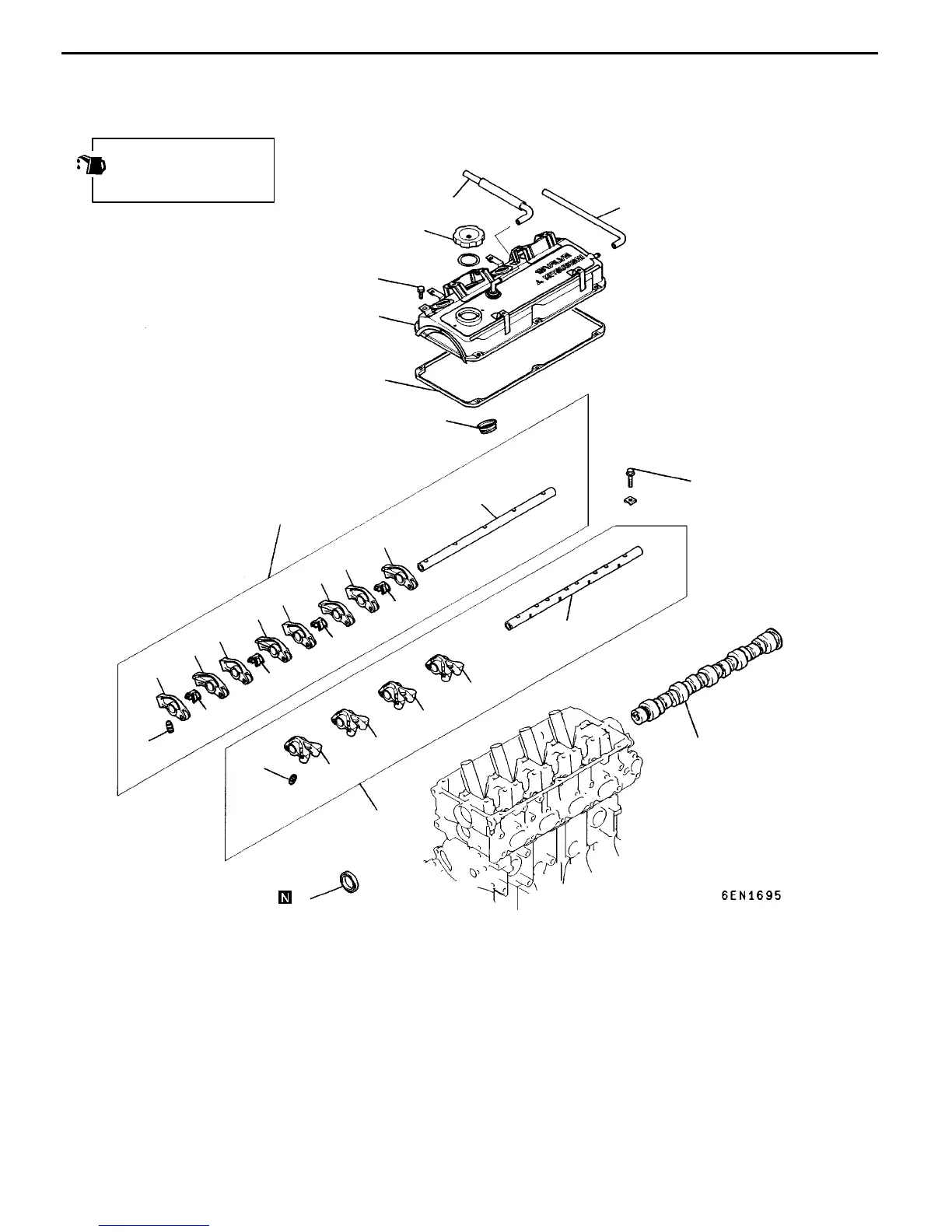
8. ROCKER ARMS AND CAMSHAFT
REMOVAL AND INSTALLATION
3
2
18
16
31 Nm
3.4 Nm
17
10
7
9
11
12
10
11
12
10
11
10
12
11
14
15
15
15
15
13
6
8
5
4
1
12
Apply engine oil to all
moving parts before
installation.
Removal steps
1. Breather hose
2. P.C.V. hose
3. Oil filler cap
4. Rocker cover
5. Rocker cover gasket
6. Oil seal
"CA 7. Oil seal
AA""BA 8. Rocker arms and rocker arm shaft
AA""BA 9. Rocker arms and rocker arm shaft
"BA 10. Rocker shaft spring
11. Rocker arm A
12. Rocker arm B
13. Rocker arm shaft (Intake side)
"AA 14. Lash adjuster
15. Rocker arm C
16. Rocker arm shaft (Exhaust side)
"AA 17. Lash adjuster
18. Camshaft
RevisedPWEE9616-A
E
Aug. 1998Mitsubishi Motors Corporation

Table of Contents

Related product manuals