EasyManua.ls Logo

Mitsubishi 4G6 series - Removal and Installation (GDI Engine - Vehicle for Hong Kong)

Mitsubishi 4G6 series
108 pages
Print Icon
To Next Page IconTo Next Page
To Next Page IconTo Next Page
To Previous Page IconTo Previous Page
To Previous Page IconTo Previous Page
Loading...
4G6 ENGINE (E-W) -
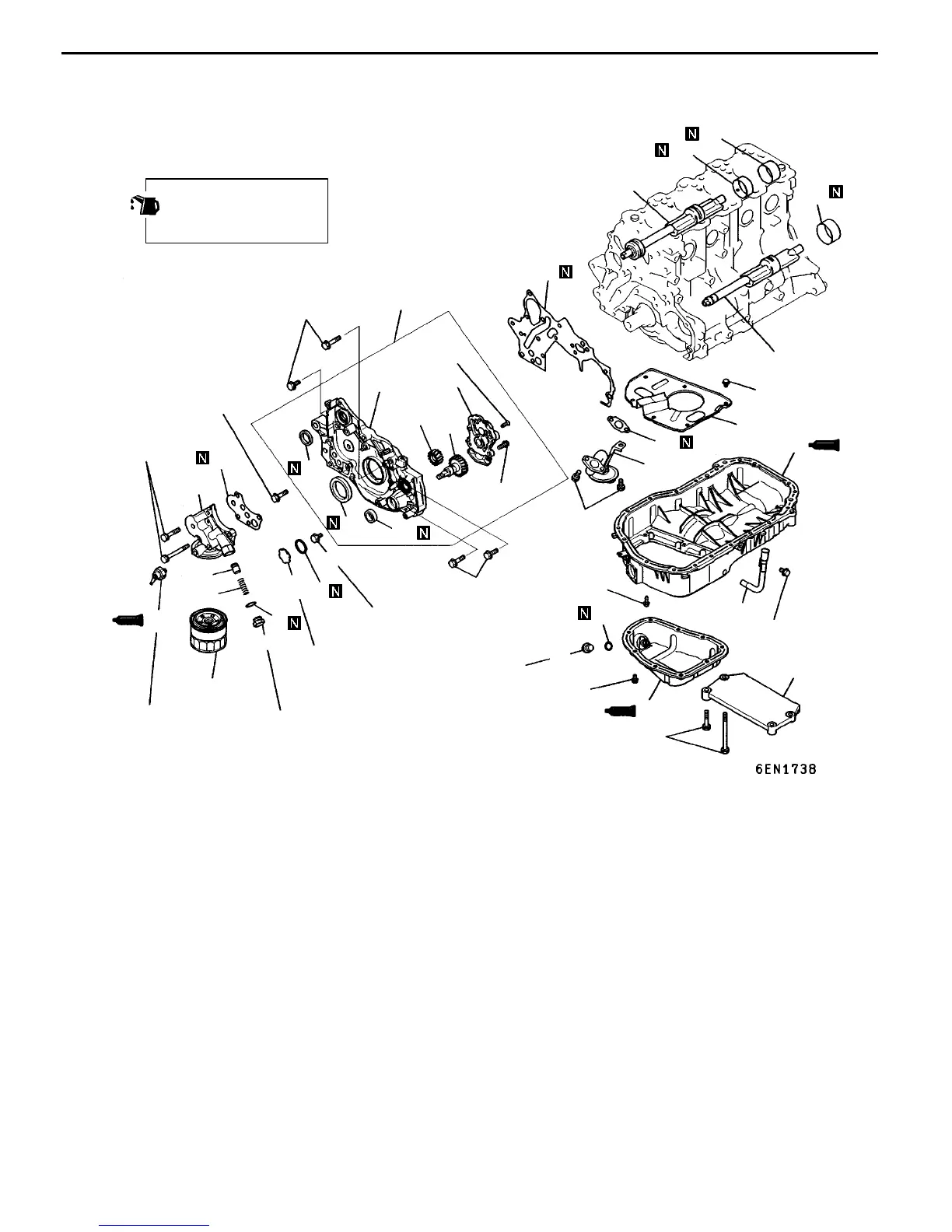
Front Case, Counterbalance Shafts and Oil Pan
11A-10-2
REMOVAL AND INSTALLATION <GDI ENGINE - VEHICLE FOR HONG KONG>
3
4
5
33
22
16
31
30
32
34
2
23 Nm
16 Nm
9.8 Nm
6.9 Nm
12 Nm
7
9.8 Nm
18 Nm
44 Nm
19
20
28
23 Nm
21
1
24
29
26
Apply engine oil to all
moving parts before
installation.
25
21 Nm
18
17
14
23 Nm
36 Nm
12
27
6
13
11
23 Nm
39 Nm
10
9
18 Nm
6.9 Nm
6.9 Nm
8
23
15
Removal steps
"OA 1. Oil filter
2. Drain plug
"NA 3. Drain plug gasket
4. Transmission stay
5. Oil level gauge guide
AB""MA 6. Oil pan lower
7. Baffle plate
AC""MA 8. Oil pan upper
9. Oil screen
10. Gasket
AD""KA 11. Plug
12. O-ring
AE""JA 13. Flange bolt
"IA 14. Oil pressure switch
15. Relief plug
16. Gasket
17. Relief spring
18. Relief plunger
19. Oil filter bracket
20. Oil filter bracket gasket
"HA 21. Front case assembly
22. Gasket
23. Oil pump cover
"GA 24. Oil pump driven gear
"GA 25. Oil pump drive gear
"FA 26. Crankshaft front oil seal
"EA 27. Oil pump oil seal
"DA 28. Counterbalance shaft oil seal
29. Front case
30. Counterbalance shaft, left
31. Counterbalance shaft, right
AF""CA 32. Counterbalance shaft front bearing
AG""BA 33. Counterbalance shaft rear bearing,
left
AG""AA 34. Counterbalance shaft rear bearing,
right
RevisedPWEE9616-A
E
Aug. 1998Mitsubishi Motors Corporation

Table of Contents

Related product manuals