EasyManua.ls Logo

Mitsubishi 4G6 series - WATER PUMP AND WATER HOSE (GDI); Removal and Installation

Mitsubishi 4G6 series
108 pages
Print Icon
To Next Page IconTo Next Page
To Next Page IconTo Next Page
To Previous Page IconTo Previous Page
To Previous Page IconTo Previous Page
Loading...
4G6 ENGINE (E-W) -
Water Pump and Water Hose (GDI)
11A-6a-1
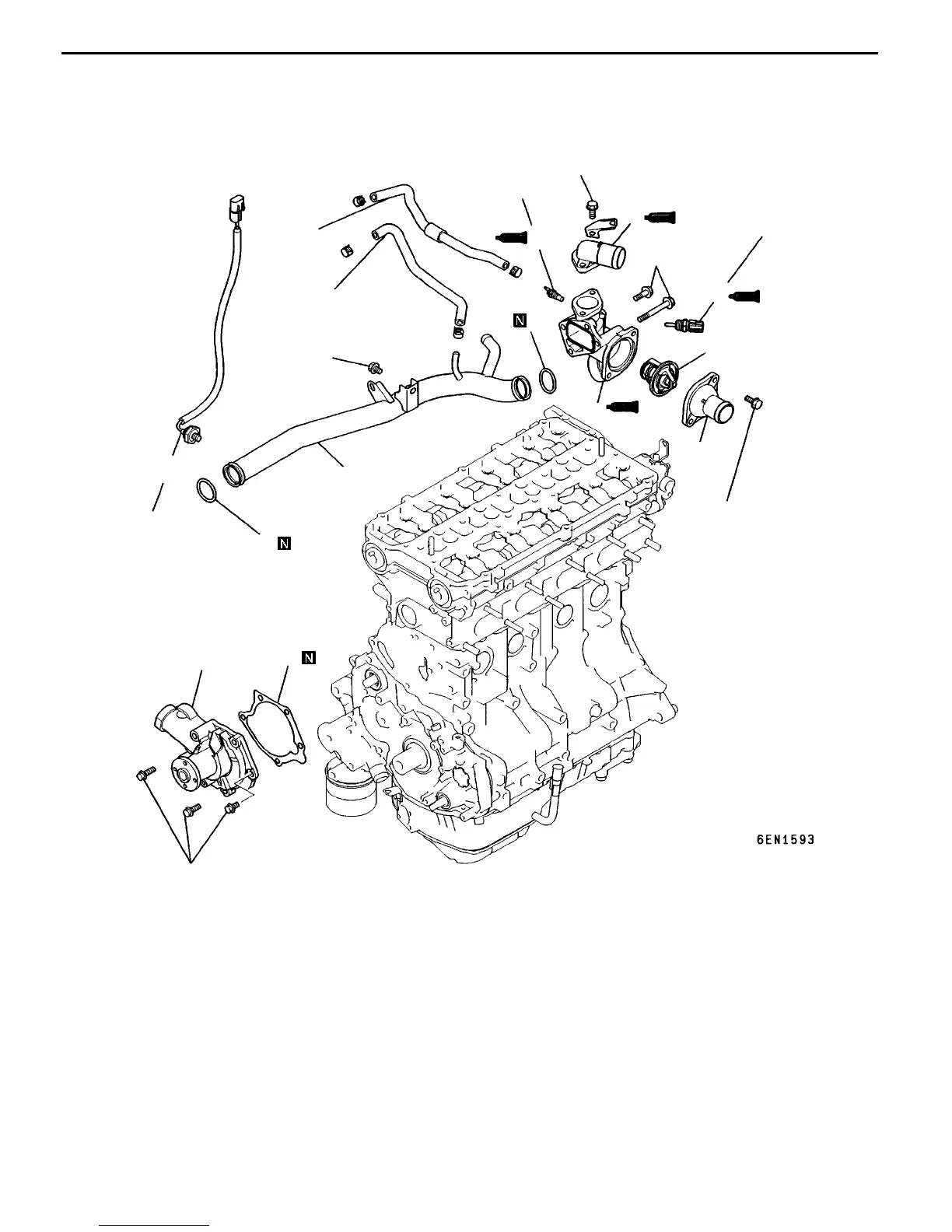
6a. WATER PUMP AND WATER HOSE (GDI)
REMOVAL AND INSTALLATION
9
10
4
5
3
1
7
6
11 Nm
22 Nm
12 Nm
8
2
11
12
13
12 Nm
9
12 Nm
29 Nm
13 Nm
23 Nm
Removal steps
1. Water hose
"EA 2. Water hose
3. Engine coolant temperature sensor
"DA 4. Engine coolant temperature gauge
unit
5. Water inlet fitting
6. Thermostat
"CA 7. Water outlet fitting
"BA 8. Thermostat housing
"AA 9. O-ring
"AA 10. Water inlet pipe
11. Water pump
12. Gasket
13. Knock sensor
AddedPWEE9616-A
E
Aug. 1998Mitsubishi Motors Corporation

Table of Contents

Related product manuals