EasyManua.ls Logo

Mitsubishi 4G6 series - Removal and Installation (Multipoint Fuel Injection - Space Wagon)

Mitsubishi 4G6 series
108 pages
Print Icon
To Next Page IconTo Next Page
To Next Page IconTo Next Page
To Previous Page IconTo Previous Page
To Previous Page IconTo Previous Page
Loading...
4G6 ENGINE (E-W) -
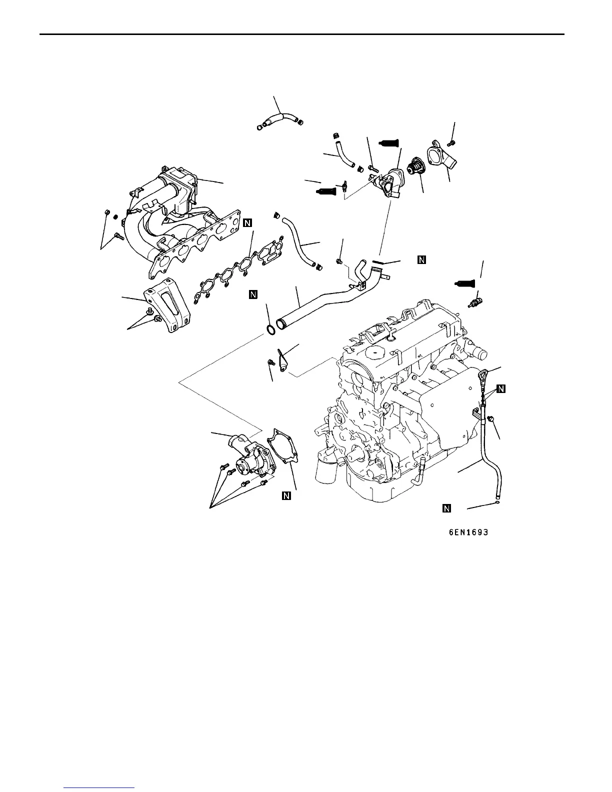
Water Pump and Intake Manifold
11A-6-3
REMOVAL AND INSTALLATION
<MULTIPOINT FUEL INJECTION - SPACE WAGON>
1
2
11
12
13 Nm
13
14
15
14 Nm
14 Nm
10
29 Nm
10
4
11 Nm
19 Nm
19
31 Nm
6
7
11 Nm
9
13 Nm
8
24 Nm
5
18
17
16
3
Removal steps
1. Water hose
2. Water hose
3. Water hose
"DA 4. Engine coolant temperature sensor
"CA 5. Engine coolant temperature gauge
unit
6. Water inlet fitting
7. Thermostat
"BA 8. Thermostat housing
"AA 9. Water inlet pipe
"AA 10. O-ring
11. Water pump
12. Water pump gasket
13. Oil level gauge
14. Oil level gauge guide
15. O-ring
16. Intake manifold stay
17. Intake manifold
18. Intake manifold gasket
19. Engine hanger
RevisedPWEE9616-A
E
Aug. 1998Mitsubishi Motors Corporation

Table of Contents

Related product manuals