EasyManua.ls Logo

Mitsubishi 4G6 series - Removal and Installation (GDI)

Mitsubishi 4G6 series
108 pages
Print Icon
To Next Page IconTo Next Page
To Next Page IconTo Next Page
To Previous Page IconTo Previous Page
To Previous Page IconTo Previous Page
Loading...
4G6 ENGINE (E-W) -
Cylinder Head and Valves
11A-9-2
REMOVAL AND INSTALLATION (GDI)
20
18
13
5
12
16
6
4
7
11
19
17
15
10
9
14
8
3
Apply engine oil to all
moving parts before
installation.
2
1
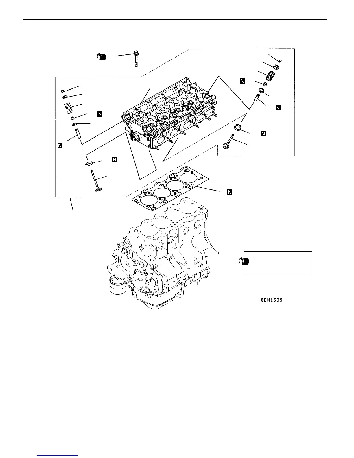
Removal steps
AA""EA 1. Cylinder head bolt
2. Cylinder head assembly
3. Cylinder head gasket
AB""CA 4. Retainer lock
5. Valve spring retainer
"BA 6. Valve spring
7. Intake valve
AB""CA 8. Retainer lock
9. Valve spring retainer
"BA 10. Valve spring
11. Exhaust valve
AC""AA 12. Valve stem seal
13. Valve spring seat
AC""AA 14. Valve stem seal
15. Valve spring seat
16. Intake valve guide
17. Exhaust valve guide
18. Intake valve seat
19. Exhaust valve seat
20. Cylinder head
RevisedPWEE9616-A
E
Aug. 1998Mitsubishi Motors Corporation

Table of Contents

Related product manuals