EasyManua.ls Logo

MWM Acteon - Page 177

MWM Acteon
215 pages
Print Icon
To Next Page IconTo Next Page
To Next Page IconTo Next Page
To Previous Page IconTo Previous Page
To Previous Page IconTo Previous Page
Loading...
Fuel Injection System
14 - 13
9.612.0.006.7160 - 05/04
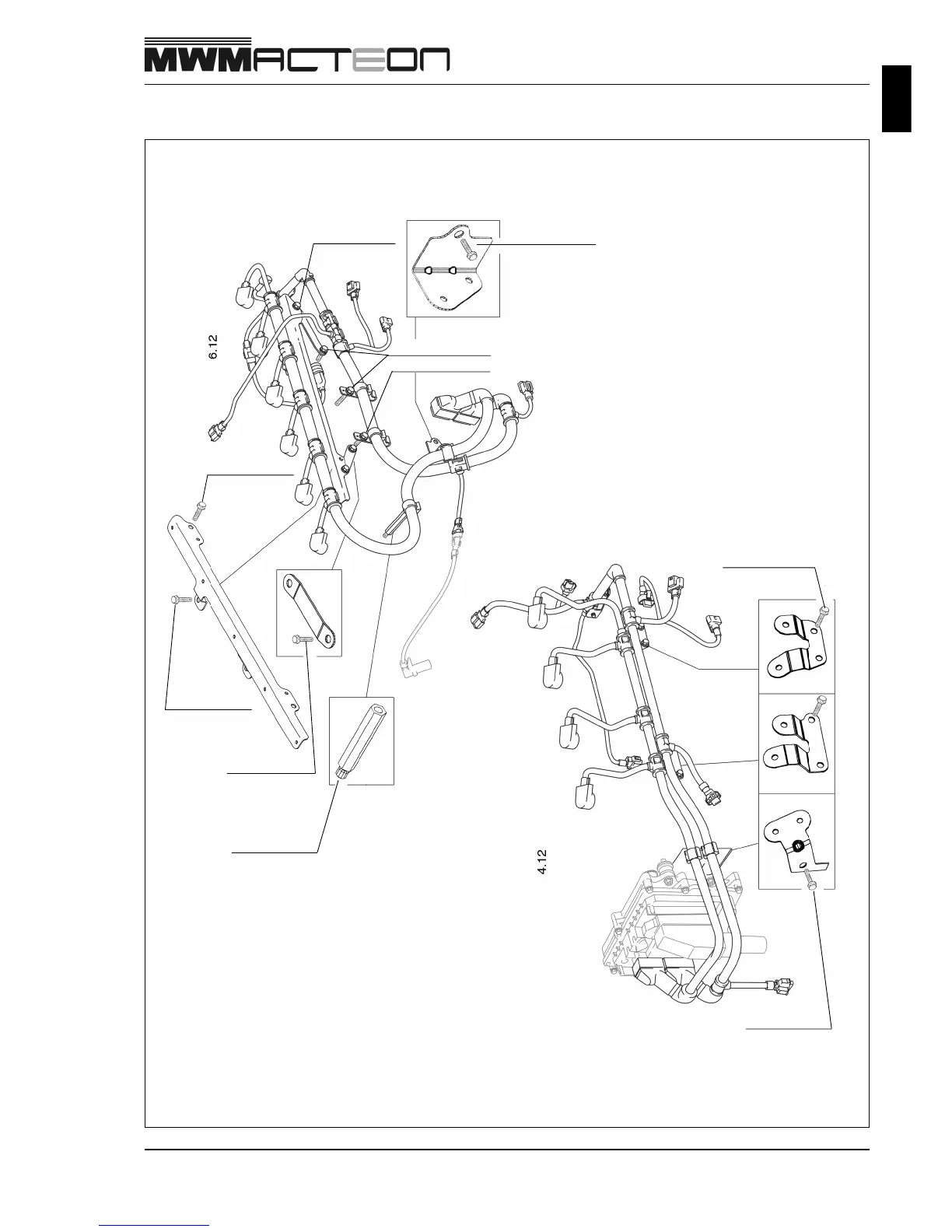
Tightening Torques Specification - Harness Brackets
10 ± 1.5 Nm
10 ± 1.5 Nm
10 ± 1.5 Nm
10 ± 1.5 Nm
10 ± 1.5 Nm
10 ± 1.5 Nm
10 ± 1.5 Nm
10 ± 1.5 Nm
10 ± 1.5 Nm
10 ± 1.5 Nm

Table of Contents

Related product manuals