EasyManua.ls Logo

Nace CP 1 - Alternative Instrument Connection; Instrument Connections

Default Icon
535 pages
Print Icon
To Next Page IconTo Next Page
To Next Page IconTo Next Page
To Previous Page IconTo Previous Page
To Previous Page IconTo Previous Page
Loading...
TM0497-2002
6 NACE International
-
DC
VOLT
COM
+
-
0.850
+
Pipe Test Lead
Voltmeters
+
-
Direction of meter current
+
Reference
Electrode
C
L
Electrode potential
does not vary
Pipe potential
is the variable
Pipe
0
1
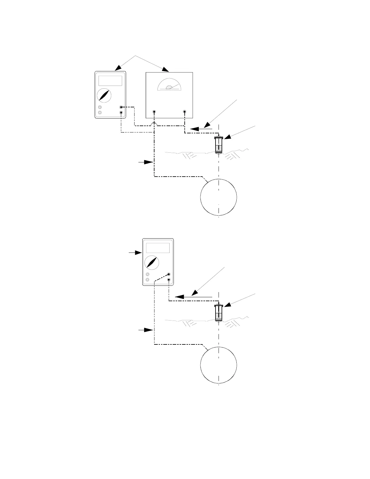
Figure 1a
Instrument Connection
Pipe Test Lead
Voltmeter
+
-
Direction of meter current
Reference
Electrode
C
L
Electrode potential
does not vary
Pipe potential
is the variable
Pipe
DC
VOLT
COM
-
-
0.850
+
Figure 1b
Alternative Instrument Connection
FIGURE 1
Instrument Connections

Table of Contents