EasyManua.ls Logo

Nibe FIGHTER 1250 - Page 77

Nibe FIGHTER 1250
88 pages
Print Icon
To Next Page IconTo Next Page
To Next Page IconTo Next Page
To Previous Page IconTo Previous Page
To Previous Page IconTo Previous Page
Loading...
75
NIBE FIGHTER 1250
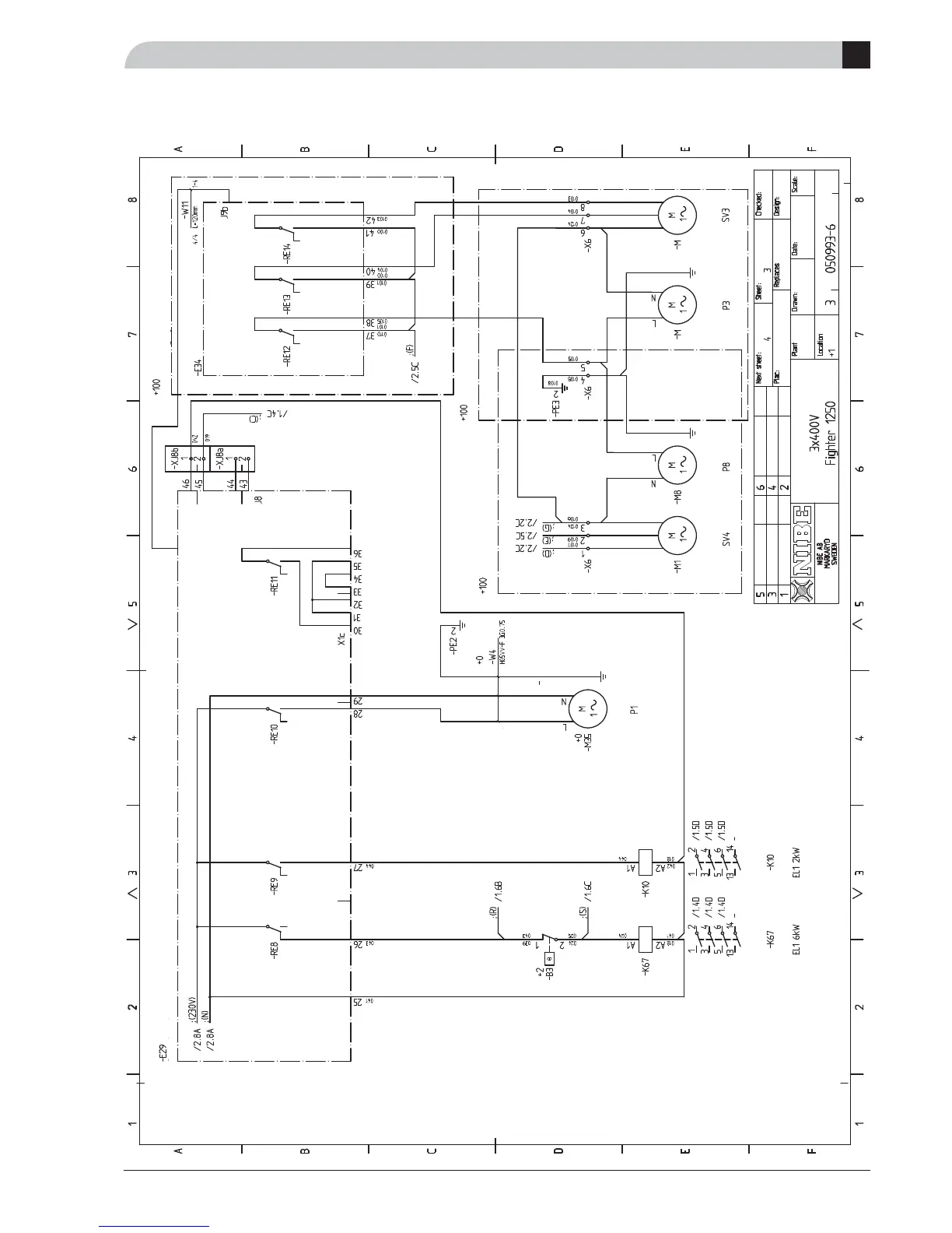
Electrical circuit diagram
F
Relay board
Pool / System 2 Present
System 2 Present
Pool
Electrical circuit diagram
Blue
Brown
Green / Yellow
Blue
White
Brown
Black
Brown
Blue

Table of Contents

Related product manuals