EasyManua.ls Logo

Nuvoton NuMicro MS51PC0AE - Figure 6.4-1 Quasi-Bidirectional Mode Structure; Figure 6.4-2 Push-Pull Mode Structure

Default Icon
491 pages
Print Icon
To Next Page IconTo Next Page
To Next Page IconTo Next Page
To Previous Page IconTo Previous Page
To Previous Page IconTo Previous Page
Loading...
MS51
Nov. 28, 2019 Page 273 of 491 Rev 1.00
MS51 32K SERIES TECHNICAL REFERENCE MANUAL
Port Pin
2-CPU-clock
delay
Input
Port Latch
P P
N
V
DD
Strong
Very
Weak
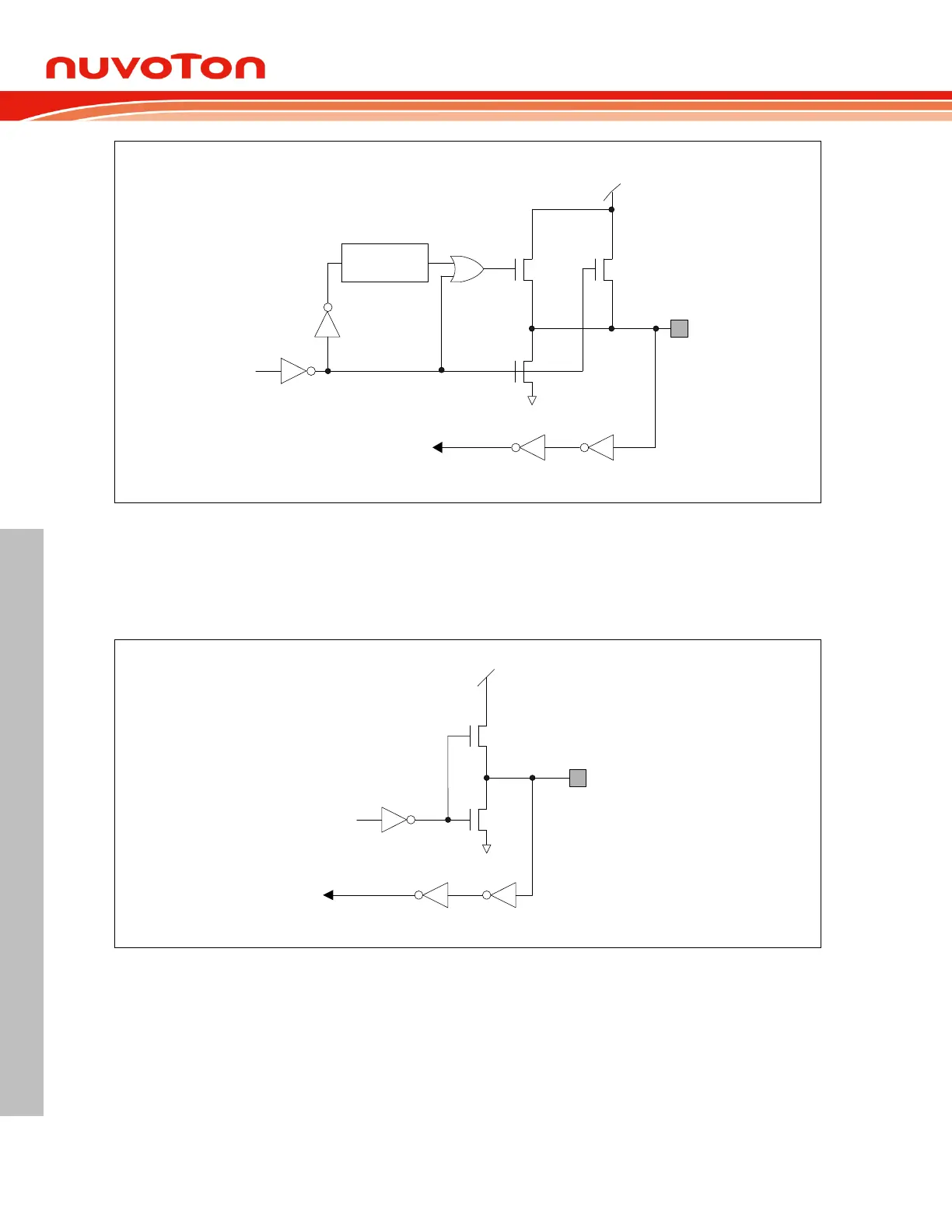
Figure 6.4-1 Quasi-Bidirectional Mode Structure
Push-Pull Mode 6.4.1.2
The push-pull mode has the same pull-low structure as the quasi-bidirectional mode, but provides a
continuous strong pull-high when the port latch is written by logic 1. The push-pull mode is generally
used as output pin when more source current is needed for an output driving.
Port Pin
Input
Port Latch
P
N
V
DD
Strong
Figure 6.4-2 Push-Pull Mode Structure
Input-Only Mode 6.4.1.3
Input-only mode provides true high-impedance input path. Although a quasi-bidirectional mode I/O can
also be an input pin, but it requires relative strong input source. Input-only mode also benefits to power
consumption reduction for logic 0 input always consumes current from V
DD
if in quasi-bidirectional
mode. User needs to take care that an input-only mode pin should be given with a determined voltage
level by external devices or resistors. A floating pin will induce leakage current especially in Power-
down mode.

Table of Contents

Related product manuals